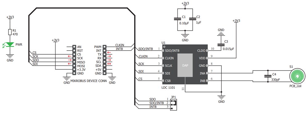
Mikroe LDC1101 (MIKROE-3240) Click
Mikroe MIKROE-3240 LDC1101 Click is an inductance-to-digital converter Click Board designed for a range of different applications, based on the inductivity measurements. It can be used to detect the position, rotation, or motion of an object. Mikroe LDC1101 includes an integrated, high-resolution, high-speed, inductance-to-digital converter. The converter allows the inductance and the impedance to be measured. The fast impedance + inductance (RP+L) mode offers separate 16-bit readings for both parameters. The high-resolution inductance (LHR) mode offers a single reading with a resolution of 24 bits.Features
- Two independent cores, one that outputs 16-bit inductance and impedance data and the other that outputs 24-bit inductance data
- Wide operating frequency range allows many kinds of objects to be sensed
- Reliable sensing even in harsh environments
- Shutdown mode and sleep mode low-power modes
- SPI interface
- 3.3V input voltage
Schematic
Overview
Published: 2018-12-20
| Updated: 2022-08-08
