Microchip Technology SY75602, SY75603, SY75604 PCIe Clock Buffers
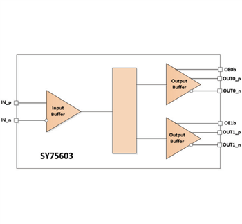
Microchip Technology SY75602, SY75603, and SY75604 PCIe Clock Buffers are fanout buffers with an ultra-low additive jitter of 10fs for PCIe 5.0, 20fs for PCIe 3.0/4.0, and 52fs in the 12kHz to 20MHz band. The SY75602, SY75603, and SY75604 Clock Buffers can be used in all PCIe 1/2/3/4/5 common clock and SRIS applications. These devices have embedded low-dropout regulators (LDO) for superior power noise supply rejection. The SY75602, SY75603, and SY75604 Clock Buffers support 1.8V, 2.5V, and 3.3V supplies with a tolerance of ±10%, which exceeds ±9% required by PCIe Card Electro Mechanical Specification.The two-output SY75602 PCIe Clock Buffers are offered in a miniature 1.4mm x 1.6mm VDFN package. The two-output SY75603 and four-output SY75604 are housed in a compact 3.0mm x 3.0mm VQFN package. The SY75603 and SY75604 also feature glitch-free per-output enable/disable control hardware pins.
The Microchip Technology SY7560x PCIe Clock Buffers have an extended -40°C to +105°C operating temperature range.
Features
- Two (SY75602A/02B/603A/03B) and four (SY75604A/04B) PCIe 1.0, 2.0, 3.0, 4.0, and 5.0 compliant outputs
- Ultra-low 10fs additive jitter (PCIe Gen5)
- Supports frequencies of up to 250MHz
- Transparent for spread spectrum
- Supports 1.8V ±10%, 2.5V ±10%, and 3.3V ±10% power supplies
- Outputs low power HCSL with embedded 85Ω (SY75602A/03A/04A) and 100Ω (SY75602B/03B/04B) termination resistors
- Individual glitch-free output enable (OExb) control pins on SY75603/604
- Accepts DC-coupled HCSL input signal and AC-coupled PECL, LVDS, and CML
- Extended -40°C to +105°C temperature range
- Package options
- 1.4mm x 1.6mm x 0.9mm VDFN (SY75602A/02B)
- 3.0mm x 3.0mm x 0.9mm VQFN (SY75603A/03B/604A/04B)
Applications
- PCIe Gen-1/2/3/4/5 clock distribution
- Servers
- Storage
- Data centers
- PCIe graphics cards
- PCIe-based SSD drives
- Laptops and desktop computers
Pin Designations
SY75602 Package Outline
SY75603 & SY75604 Package Outline
Published: 2022-09-22
| Updated: 2022-09-28
