Microchip Technology ATmega256x 8-bit Microcontrollers

Microchip Technology ATmega256x 8-bit Microcontrollers provide a highly flexible and cost-effective solution to many embedded control applications. The ATmega256x 8-bit Microcontrollers AVR architecture supports a full suite of program and system development tools, including C compilers, macro assemblers, program debugger/simulators, in-circuit emulators, and evaluation kits.

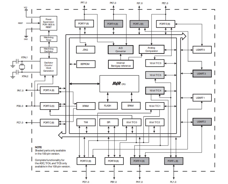
The ATmega256x features 256K bytes of In-System Programmable Flash with Read-While-Write capabilities, 4Kbytes EEPROM, 8Kbytes SRAM, and 86 general purpose I/O lines. Additionally, the device offers 32 general purpose working registers, a real-time counter, six flexible timer/counters with compare modes, PWM, 4 USARTs, byte-oriented 2-wire serial interface, 16-channel 10-bit A/D converter, and a JTAG interface for on-chip debugging.

The ATmega256x has an operating voltage range of 1.8-5.5V, with a throughput of 16 MIPS at 16 MHz. The device achieves a throughput approaching 1 MIPS per MHz by executing powerful instructions in a single clock cycle, balancing power consumption and processing speed.

Features

  • High Performance, Low Power Atmel® AVR® 8-Bit Microcontroller
  • Temperature Range: -40°C to 85°C Industrial
  • Ultra-Low Power Consumption
    • Active Mode: 1MHz, 1.8V: 500µA
    • Power-down Mode: 0.1µA at 1.8V
  • Advanced RISC Architecture
    • 135 Powerful Instructions – Most Single Clock Cycle Execution
    • 32 × 8 General Purpose Working Registers
    • Fully Static Operation
    • Up to 16 MIPS Throughput at 16MHz
    • On-Chip 2-cycle Multiplier
  • High Endurance Non-volatile Memory Segments
    • 64K/128K/256KBytes of In-System Self-Programmable Flash
    • 4Kbytes EEPROM
    • 8Kbytes Internal SRAM
    • Write/Erase Cycles:10,000 Flash/100,000 EEPROM
    • Data retention: 20 years at 85°C/ 100 years at 25°C
    • Optional Boot Code Section with Independent Lock Bits
      • In-System Programming by On-chip Boot Program
      • True Read-While-Write Operation
    • Programming Lock for Software Security
      • Endurance: Up to 64Kbytes Optional External Memory Space
  • Atmel® QTouch® library support
    • Capacitive touch buttons, sliders and wheels
    • QTouch and QMatrix acquisition
    • Up to 64 sense channels
  • JTAG (IEEE® std. 1149.1 compliant) Interface
    • Boundary-scan Capabilities According to the JTAG Standard
    • Extensive On-chip Debug Support
    • Programming of Flash, EEPROM, Fuses, and Lock Bits through the JTAG Interface
  • Peripheral Features
    • Two 8-bit Timer/Counters with Separate Prescaler and Compare Mode
    • Four 16-bit Timer/Counter with Separate Prescaler, Compare- and Capture Mode
    • Real Time Counter with Separate Oscillator
    • Four 8-bit PWM Channels
    • Six/Twelve PWM Channels with Programmable Resolution from 2 to 16 Bits (ATmega1281/2561, ATmega640/1280/2560)
    • Output Compare Modulator
    • 8/16-channel, 10-bit ADC (ATmega1281/2561, ATmega640/1280/2560)
    • Two/Four Programmable Serial USART (ATmega1281/2561, ATmega640/1280/2560)
    • Master/Slave SPI Serial Interface
    • Byte Oriented 2-wire Serial Interface
    • Programmable Watchdog Timer with Separate On-chip Oscillator
    • On-chip Analog Comparator
    • Interrupt and Wake-up on Pin Change
  • Special Microcontroller Features
    • Power-on Reset and Programmable Brown-out Detection
    • Internal Calibrated Oscillator
    • External and Internal Interrupt Sources
    • Six Sleep Modes: Idle, ADC Noise Reduction, Power-save, Power-down, Standby, and Extended Standby
  • I/O and Packages
    • 54/86 Programmable I/O Lines (ATmega1281/2561, ATmega640/1280/2560)
    • 64-pad QFN/MLF, 64-lead TQFP (ATmega1281/2561)
    • 100-lead TQFP, 100-ball CBGA (ATmega640/1280/2560)
    • RoHS/Fully Green
  • Speed Grade:
    • ATmega640V/ATmega1280V/ATmega1281V: 0-4MHz@1.8V-5.5V, 0-8MHz@2.7V-5.5V
    • ATmega2560V/ATmega2561V: 0-2MHz@1.8V-5.5V, 0-8MHz@2.7V-5.5V
    • ATmega640/ATmega1280/ATmega1281: 0-8MHz@2.7V-5.5V, 0-16MHz@4.5V-5.5V
    • ATmega2560/ATmega2561: 0-16MHz@4.5V-5.5V

Applications

  • Embedded Control
  • Power Regulation
  • Rectification
  • DAC
  • Motor Control

Block Diagram

Block Diagram - Microchip Technology ATmega256x 8-bit Microcontrollers

Architecture Overview

Chart - Microchip Technology ATmega256x 8-bit Microcontrollers
Published: 2019-02-06 | Updated: 2023-05-12