Microchip Technology ATmega32U4 8-bit MCU with USB Controller

Microchip Technology ATmega32U4 8-bit Microcontroller (MCU) with USB Controller is a low-power, AVR® RISC-based device featuring 32KB self-programming flash program memory, 2.5KB SRAM, 1KB EEPROM, USB 2.0 full-speed/low-speed device module, 12-channel, 10-bit analog-to-digital converter, and JTAG interface for on-chip-debug. This Microchip device achieves up to 16 MIPS throughput at 16MHz and 2.7 to 5.5V operation. By executing powerful instructions in a single clock cycle, Microchip ATmega32U4 MCU achieves throughputs approaching 1MIPS per MHz, allowing you to optimize power consumption versus processing speed.

Features

  • High Performance, Low Power AVR® 8-Bit Microcontroller
  • Advanced RISC Architecture
    • 135 Powerful Instructions Most Single Clock Cycle Execution
    • 32 x 8 General Purpose Working Registers
    • Fully Static Operation
    • Up to 16 MIPS Throughput at 16 MHz
    • On-Chip 2-cycle Multiplier
  • Non-volatile Program and Data Memories
    • 32K Bytes of In-System Self-Programmable Flash
    • 2.5K Bytes Internal SRAM
    • 1K Bytes Internal EEPROM
    • Write/Erase Cycles: 10,000 Flash/100,000 EEPROM
    • Data retention: 20 years at 85°C/ 100 years at 25°C(1)
    • Optional Boot Code Section with Independent Lock Bits
      • In-System Programming by On-chip Boot Program
      • True Read-While-Write Operation
      • All supplied parts are preprogrammed with a default USB bootloader
    • Programming Lock for Software Security
  • JTAG (IEEE std. 1149.1 compliant) Interface
    • Boundary-scan Capabilities According to the JTAG Standard
    • Extensive On-chip Debug Support
    • Programming of Flash, EEPROM, Fuses, and Lock Bits through the JTAG Interface
  • USB 2.0 Full-speed/Low-Speed Device Module with Interrupt on Transfer Completion
    • Complies fully with Universal Serial Bus Specification Rev 2.0
    • Supports data transfer rates up to 12 Mbit/s and 1.5 Mbit/s
    • Endpoint 0 for Control Transfers: up to 64-bytes
    • 6 Programmable Endpoints with IN or Out Directions and with Bulk, Interrupt or Isochronous Transfers
    • Configurable Endpoints size up to 256 bytes in double bank mode

Applications

  • Sensors for industrial automation
  • PC peripherals
    • PC accessories
    • Small I/O devices

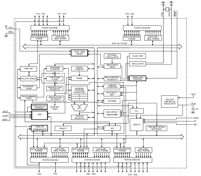
Block Diagram

Block Diagram - Microchip Technology ATmega32U4 8-bit MCU with USB Controller
Published: 2012-09-28 | Updated: 2025-02-18