MEAN WELL UHP-2500 2500W Switching Power Supplies
MEAN WELL UHP-2500 2500W Switching Power Supplies are low-profile (60mm), slim switching supplies with built-in active Power Factor Correction (PFC). MEAN WELL UHP-2500 features a fanless, conduction-cooled design and a full 90VAC to 264VAC input range. These 24V or 48V voltage output power supplies offer efficiency of up to 96% and operate over a -30°C to +70°C temperature range under air convection. UHP-2500 serves a wide variety of industrial applications.
Features
- Slim and low profile (60mm)
- Fanless and conduction-cooled design
- Built-in active Power Factor Correction (PFC) function
- Output voltage and constant current level programmable
- Protections
- Short circuit
- Overload
- Over-voltage
- Over-temperature
- Built-in remote ON-OFF control
- DC OK active signal
- Operating altitude up to 5000m
- LED indicator for power on
- Optional PMBus or CANBus protocol
- 5-year warranty
Applications
- Industrial automation machinery
- Industrial control system
- Mechanical and electrical equipment
- Electronic instruments, equipment, or apparatus
- Test and measurement instrument
- Laser related machine
- Charging related equipment
- Household appliances
Specifications
- 24VDC or 48VDC voltage
- 52.1A or 104.2A rated current
- 2500W rated power
- 47Hz to 63Hz frequency range
- -30°C to +70°C operating temperature range
- Up to 96% efficiency
Videos
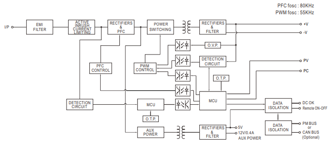
Block Diagram
Published: 2019-10-01
| Updated: 2026-03-05
