MEAN WELL UHP-1500 1500W Power Supplies
MEAN WELL UHP-1500 1500W Conduction Cooling with PFC Switching Supplies are equipped with a communication function with built-in PMBus or CANBus. The communication protocols allow the power supply to seamlessly integrate into high-end systems such as data centers, network equipment, or charging systems. A unique fanless design prevents fan failure from dust and reduces the cost and frequency of device maintenance. The power supply is equipped with programmable voltage and current (PV/PC) functions, which allow the trimming of the output voltage between 50% to 120% and currents between 20% to 100% (by an external DC control signal). UHP-1500 complies with EN60335-1 household safety standards and has a wide operating temperature range of –30°C to +70°C.Features
- Ultra-low 41mm height
- Fanless conduction-cooled design
- Full range 90VAC to 264VAC input
- High efficiency up to 96%
- Operating altitude up to 5000 meters
- UL/TUV/EAC/CB/CE safety approved
- -30°C to +70°C operating temperature range
- Short circuit, overload, over-voltage, and over-temperature protection
- 290mm x 140mm x 41mm in dimension (LxWxH)
- 5-year warranty
Applications
- Industrial automation machinery
- Industrial control systems
- Mechanical and electrical equipment
- Electronic instruments, equipment, or apparatus
- Test and measurement instruments
- Laser related machines
- Charging related equipment
- Household appliances
Videos
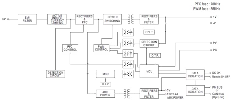
Block Diagram
Additional Resources
Published: 2019-08-21
| Updated: 2026-03-05
