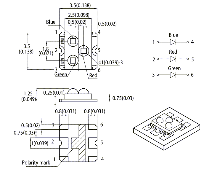
The Kingbright LED blue and green source color is made with an InGaN Light Emitting Diode. The hyper-red is based on a light-emitting diode chip made from AlGaInP.
Features
- 3.5mm x 3.5mm SMD LED, 1.25mm thickness
- Moisture Sensitivity Level (MSL) 3
- Halogen-free
- RoHS compliant
Applications
- Backlights
- Status indicators
- Home and smart appliances
- Wearable and portable devices
- Healthcare applications
PACKAGE DIMENSIONS
RECOMMENDED SOLDERING PATTERN
Published: 2023-10-24
| Updated: 2024-09-13

