Kinetic Technologies KTB1095 Synchronous Flyback Controller

Kinetic Technologies KTB1095 Synchronous Flyback Controller is a highly integrated isolated synchronous flyback controller with internal feedback and an integrated digital isolator. The internal digital isolator eliminates the need for an external optocoupler and enables a small total solution size. The device operates over a wide 5V to 80V input voltage range to support various applications. The Kinetic Technologies KTB1095 employs current-mode PWM control with constant on-time (COT) for a fast transient response and superior output voltage regulation. The device features an adjustable soft-start function to limit inrush current during start-up. The device has built-in protection features, including input voltage UVLO, output over-voltage-protection (OVP), cycle-by-cycle current limit, short-circuit protection, and thermal shutdown. The KTB1095 is available in a RoHS and Green-compliant SOP-16 package.

Features

  • Wide 5V to 80V VIN range
  • Integrated feedback and digital isolator
  • Internal startup regulator
  • Integrated driver for synchronous rectifier MOSFET
  • ±1.5% feedback voltage reference
  • 8V primary driver with 1A source/2A sink current capability
  • 9V secondary driver with 2A source/3A sink current capability
  • Over 3000VRMS isolation
  • Adjustable frequency From 100kHz to 700kHz
  • Adjustable soft-start time
  • Optional primary side bias for optimized efficiency
  • Built-in cycle-by-cycle current limit, input UVLO, over-current protection, short-circuit protection, and thermal shutdown protection
  • SOP-16 wide body package (10.3mm x 7.5mm x 2.65mm)
  • -40°C to +125°C operating junction temperature range
  • UL1577 safety certifications

Applications

  • Telecom and communications power systems
  • Industrial PLCs and smart meters
  • Power-Over-Ethernet (PoE)
  • Bias supply for isolated DC-DC converters
  • Low-power isolated power modules
  • Battery Management System (BMS) in EVs

Typical Application

Application Circuit Diagram - Kinetic Technologies KTB1095 Synchronous Flyback Controller

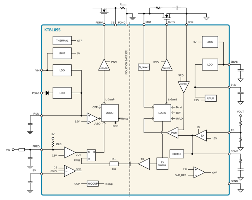
Block Diagram

Block Diagram - Kinetic Technologies KTB1095 Synchronous Flyback Controller
Published: 2024-07-15 | Updated: 2025-02-17