Kinetic Technologies KTA1137A 30W PoE PD & DC-DC Controller

Kinetic Technologies KTA1137A 30W PoE PD and DC-DC Controller is a single-chip, highly integrated CMOS solution for devices powered by Power over Ethernet (PoE). The device requires input power up to 30W. The KTA1137A addresses EMI emission concerns and surge/overvoltage protection in PoE applications. It also features integrated input surge protection, a PD controller, and a low-emission DC-DC controller. Kinetic Technologies KTA1137A implements all the physical layer Powered Device (PD) functionality, as required by IEEE® 802.3af-2005 and IEEE® 802.3at-2009 standards. This includes 2-event classification, Type 2 PSE detection indicator (ATDET), PD detection, Undervoltage-lockout (UVLO), and Hot-Swap FET integration.

KTA1137A design implements many features that minimize transmission of system common-mode noise onto the Unshielded Twisted Pair (UTP). On-chip integration of surge protection provides faster response to surge events and limits stray surge currents from passion through sensitive circuits. The KTA1137A provides safe, low-impedance discharge paths directly to the earth ground, which enables superior reliability and circuit protection.

Features

  • Fully supports both IEEE® Std. 802.3af-2005 and IEEE® Std. 802.3at-2009 power requirements
  • Enables compliance with
    • IEC 61000-4-2/3/4/5/6 requirements for EMC
    • Integrated Surge Protection for 15kV/8kV System-level ESD
    • RoHS standards
  • "2-Event" classification for 802.3at higher power PDs
  • Robust Type 2 PSE detector with proprietary digital filtering for line noise to eliminate false positives
  • Integrated DC-DC controller for exceptional EMI performance
  •  Up to 730mA for 30W applications programmable DC current limit
  • Down to 9.5V seamless support for local power
  • Implemented in robust 100V CMOS process
  • Low Rds-on Hot-Swap FET (typical 0.6Ω)
  • Integrated short-circuit protection
  • Over-temperature protection
  • -40°C to +85°C industrial temperature range

Applications

  • Voice over IP (VoIP) phones
  • Wireless LAN access points, WIMAX Terminals
  • Pan, tilt, and zoom (PTZ) security and web-cameras
  • Analog telephone adapters (ATA)
  • Point-of-sale (PoS) Terminals
  • RFID Terminals
  • Notebook computers
  • Fiber-to-the-home (FTTH) terminals

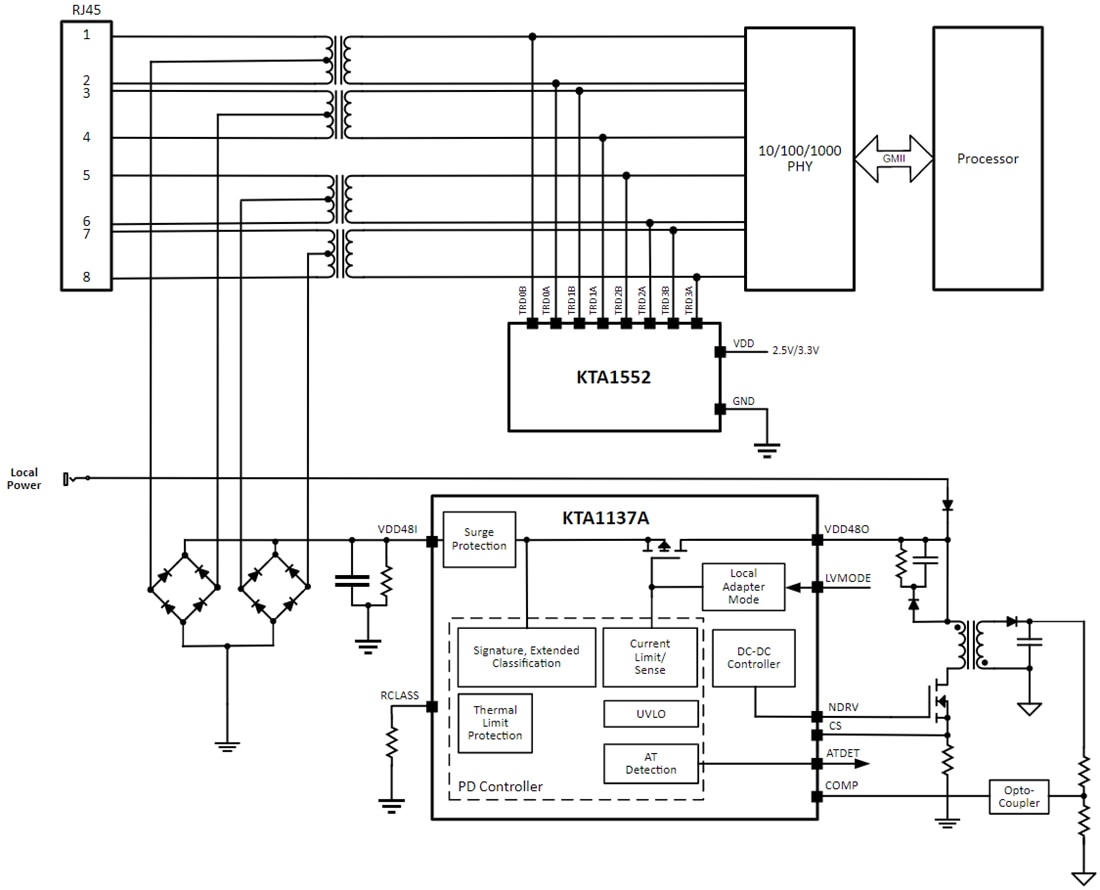
Block Diagram

Block Diagram - Kinetic Technologies KTA1137A 30W PoE PD & DC-DC Controller
Published: 2019-09-30 | Updated: 2024-04-04