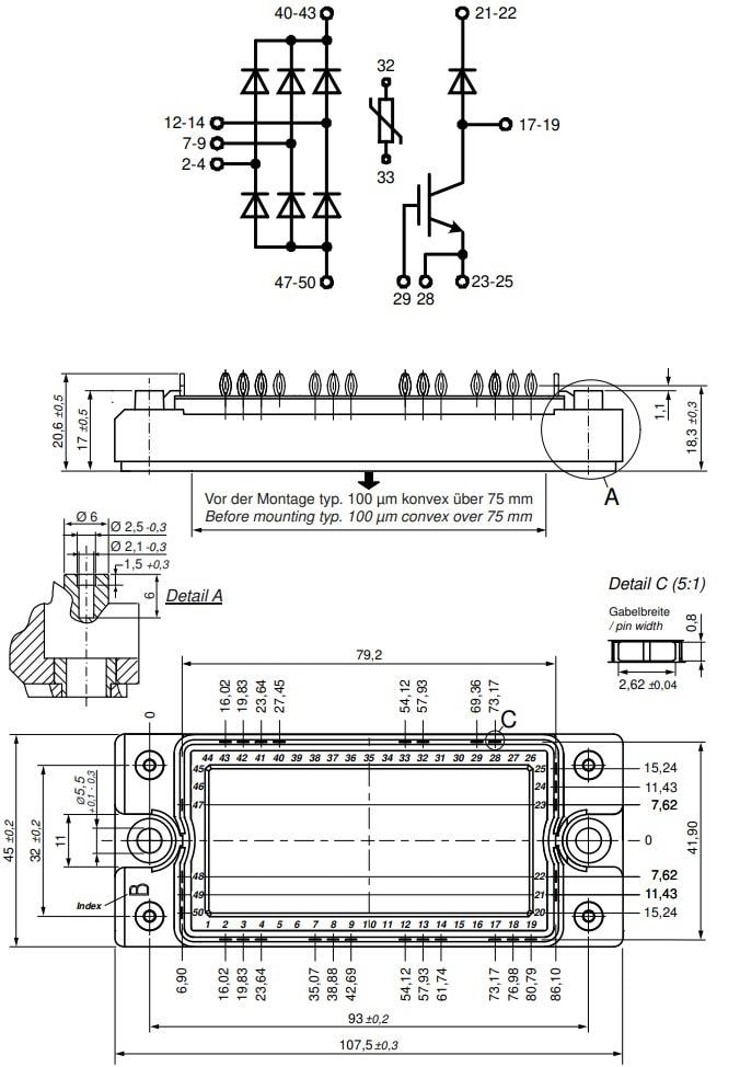
IXYS MDNA360UB2200Px Rectifier Modules
IXYS MDNA360UB2200Px Rectifier Modules are high-voltage standard rectifiers featuring the Infineon IGBT brake unit. These modules are 3-phase rectifier bridges with a 2200V maximum repetitive reverse blocking voltage (VRRM), 360A bridge output current (ID(avg)), and 1900A maximum forward surge current (IFSM). The MDNA360UB2200P-PC rectifier module is available in an E2-Pack package built using a phase change material. These modules are ideally suited for 3-phase rectifiers with brake units for drive inverters.Features
- 3-phase rectifier bridge with Infineon brake unit and NTC
- 2200V maximum repetitive reverse blocking voltage (VRRM)
- 360A bridge output current (ID(avg))
- 1900A maximum forward surge current (IFSM)
- Available with a phase change material
- RoHS compliant E2-pack package
Applications
- 3-phase rectifiers with brake unit for drive inverters
Configuration with Dimensions
Published: 2020-07-07
| Updated: 2024-05-29
