IXYS IX4341 / IX4342 MOSFET Gate Drivers

IXYS IX4341 / IX4342 MOSFET Gate Drivers feature two independent drivers, either both with inverting capability (IX4341) or one inverting and one non-inverting (IX4342). The gate drivers can source and sink up to 5A peak current with CMOS- and TTL-compatible inputs. The IX4341 / IX4342 series offer thermally enhanced 8-pin MSOP and narrow SOIC packages and standard narrow SOIC packages depending on the model. The IXYS IX4341 / IX4342 MOSFET Gate Drivers deliver fast 16ns typical propagation delays and fast 7ns typical rise and fall times, which is suitable for high-frequency applications. The gate drivers are ideal for various applications, including switch-mode power supplies (SMPS), DC/DC converters, motor controllers, and power inverters.

Features

  • Two independent inverting drivers (IX4341)
  • Two independent drivers—one inverting and one non-inverting (IX4342)
  • 5A peak current sourcing and sinking capability
  • CMOS and TTL compatible inputs
  • Thermally enhanced 8-pin MSOP and narrow SOIC packages
  • Standard 8-pin narrow SOIC package
  • Undervoltage lockout (UVLO) circuitry
  • Fast propagation delays
  • Fast rise and fall times
  • Lead-free, RoHS compliant

Applications

  • SMPS
  • DC/DC power supplies
  • Motor controllers
  • Power inverters

Specifications

  • 4.5VCC to 18VCC supply voltage range
  • -0.3V absolute minimum input voltage rating
  • VCC +0.3 max input voltage rating
  • ±5A output current rating
  • 2.5mA max supply current rating
  • ±2kV ESD rating
  • 1MHz max switching frequency
  • -55°C to +150°C junction temperature range
  • -65°C to +150°C storage temperature range

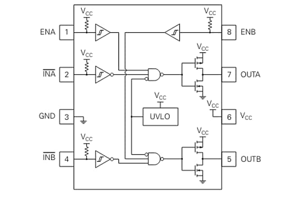
Functional Block Diagram

Block Diagram - IXYS IX4341 / IX4342 MOSFET Gate Drivers
Published: 2024-05-28 | Updated: 2024-05-31