Grayhill Optical Ring Encoders
Grayhill Optical Ring Encoders offer 24 pulses per revolution output and 3.3V and 5V voltage options. The long-life operation offered by these encoders far exceeds the typical life for previous mechanical contact products. Optical ring encoders come with three standard torque options: no detent, low, and high. These encoders feature a center thru-hole that allows for knob lighting and/or pushbuttons and a PCB mount. Grayhill Optical Ring Encoders are ideal for applications that require extended rotation life, including ultrasounds, global positioning systems, home appliances, and medical equipment.Features
- 24 pulses per revolution output
- Long life
- Center thru-hole design
- PCB mount
- Torque options
- No detent
- Low
- High
Applications
- Applications that require extended rotational life
- Ultrasound
- Patient monitoring
- Medical
- Test and measurement equipment
- Global positioning/driver information systems
- Home appliances
- White goods
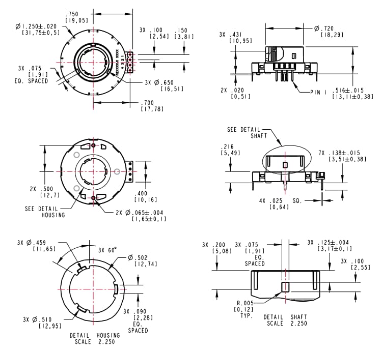
Dimensions
Suggested Mounting Pattern
Waveform & Truth Table
Published: 2024-09-24
| Updated: 2024-09-24
