Grayhill 67B Hall Effect Joysticks

Grayhill 67B Joystick is the smallest hall-effect joystick to offer momentary rotation. A center pushbutton and momentary clockwise/counterclockwise rotation gives equipment operators more control in one device. The 67B is a low-power device operating at 3mA max, with only 0.1mA max used in sleep mode. The series is designed for panel mount applications, with a behind-panel depth of just 16mm.

Features

  • Proportional output joystick, pushbutton, and momentary rotary select in one device
  • Shaft and panel seal to IP67
  • Rugged and compact with a 1.25" diameter
  • Long operational life
  • RoHS compliant
  • I²C output (see User Manual)

Applications

  • Medical imaging
    • X-ray
    • CT scanner
    • MRI patient tables
  • Military vehicles
    • display navigation
  • Handheld remote control devices
  • Material handling equipment and crane operations

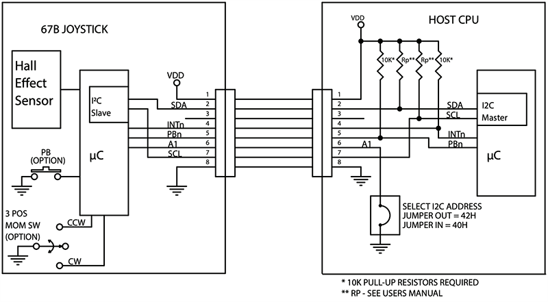
Block Diagram

Block Diagram - Grayhill 67B Hall Effect Joysticks
Published: 2014-08-14 | Updated: 2022-03-11