E-T-A Circuit Breakers XR38 Appliance Inlet Modules

E-T-A Circuit Breakers XR38 Appliance Inlet Modules are designed for circuit breakers with a 3/8" threadneck (106/1140/1658/2-5700/8330 circuit breakers). The E-T-A XR38 modules combine up to three functions in one component: a C14 inlet plug, resettable overcurrent protection, and a line filter. Users can select appropriate line filters for the use of the appliance inlet module in medical equipment applications according to IEC/EN60601-1. The series offers two standard versions: version C without an actuator guard (reset button protrudes from the module) and version D with an actuator guard (reset button completely recessed). These modules feature screw-type mounting from the front or rear.

Features

  • Appliance inlet module for circuit breakers with 3/8" threadneck
  • Combines up to three functions in one component
    • C14 inlet plug
    • Resettable overcurrent protection
    • Line filter
  • Two versions
    • Version C without actuator guard (reset button protrudes from the module)
    • Version D with actuator guard (reset button completely recessed)

Applications

  • Medical apparatuses
  • Laboratory equipment
  • Professional kitchen equipment
  • 3D printers

Specifications

  • 250VAC rated voltage
  • 10A (IEC/EN) or 15A (UL/CSA) current rating
  • -25°C to +60°C operating temperature range
  • C14 inlet plug
  • 106, 1140, 1658, 2-5700, 8330 circuit breakers for equipment protection

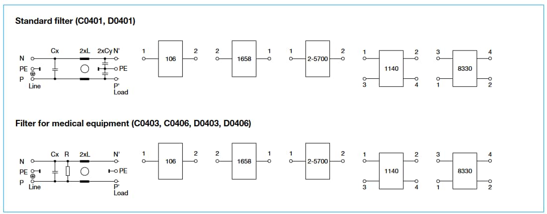
Schematic Diagrams

Schematic - E-T-A Circuit Breakers XR38 Appliance Inlet Modules
Published: 2021-09-28 | Updated: 2025-06-05