E-Switch TL1275 Tact Switches

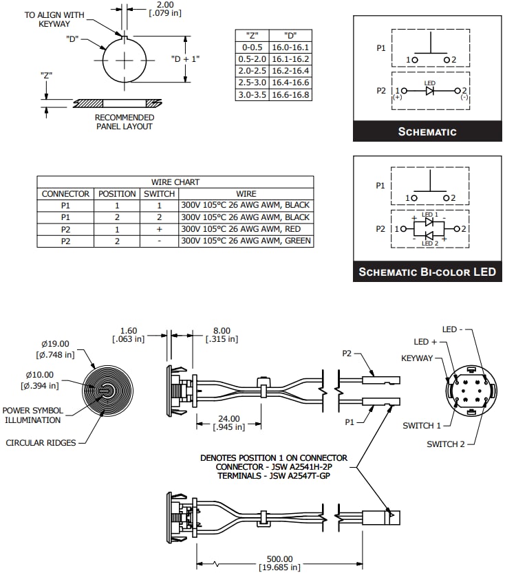
E-Switch® TL1275 Tact Switches are panel mount 19mm diameter tactile switches designed with 500mm long 26AWG wire leads and connectors. These switches provide SPST contact arrangement, 100,000 cycles of electrical life, 0.25mm travel, and an actuation force of 350gf. The TL1275 tactile switches feature a snap-in flat bezel actuator, a 10mm diameter button, and an illuminated power symbol. This illumination is available in multiple, single, and bi-color LED options. Typical applications include audio/visual equipment, computer peripherals, consumer electronics, instrumentation, security devices, and medical equipment.

Features

  • 500mm long 26AWG wire leads with connectors
  • Single and bi-color LED options
  • Sharp tactile response
  • SPST contact arrangement
  • Panel mount
  • Snap-in bezel

Applications

  • Audio/visual
  • Computer peripherals
  • Consumer electronics
  • Instrumentation
  • Security devices
  • Medical equipment

Specifications

  • 50mA contact rating at 12VDC
  • 100mΩ initial contact resistance
  • 100MΩ minimum insulation resistance
  • 250VRMS dielectric strength
  • 100,000 cycles of electrical life
  • -25°C to +70°C operating temperature range
  • 0.25mm ±0.1mm travel
  • 350gf ±100gf actuation force
  • 3.5mm maximum panel thickness

Videos

Dimensions

Mechanical Drawing - E-Switch TL1275 Tact Switches
Published: 2019-04-15 | Updated: 2023-08-16