Diotec Semiconductor ESW6004/ESW6006 Superfast Rectifier Diodes
Diotec Semiconductor ESW6004/ESW6006 Superfast Efficient Rectifier Diodes feature soft reverse recovery and a very low recovery time. The ESW6004 has a 400V repetitive peak reverse voltage and a 400A peak forward surge current. Meanwhile, the ESW6006 has a 600V repetitive peak reverse voltage and a 600A peak forward surge current. The Diotec Semiconductor ESW6004/ESW6006 has a -50°C to +175°C junction temperature and is available in a TO-247 package.Features
- High forward current
- Low reverse recovery time
- Soft recovery characteristics
- High-efficiency switching
- Industry-standard case outline
Applications
- Boost diode for power factor correction stages (PFC)
- Free-wheeling diode for MOSFET or IGBT inverters
Specifications
- 400V, 600V repetitive peak reverse voltage (VRRM)
- 400A, 600A peak forward surge current (IFSM)
- 35ns, 60ns reverse recovery time (Trr)
- 120A repetitive peak forward current (IFRM)
- 60A maximum average forward rectified current (IFAV)
- <1.2V, 1.8V forward voltage (VF)
- -50°C to +175°C junction temperature (Tj)
Typical Application
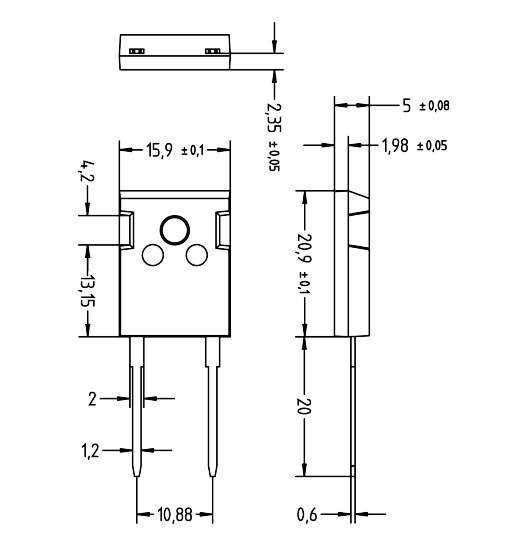
Dimensions mm
Published: 2023-07-06
| Updated: 2023-10-20
