Diodes Incorporated PAM8320 Mono Class D Audio Amplifier
Diodes Inc. PAM8320 is an efficient 20W mono Class-D audio power amplifier, designed to drive speakers as low as 4Ω in a bridge-tied load configuration. Due to the low power dissipation and high efficiency of up to 95%, the device can be used without any external heat sink while playing music. The PAM8320 features short circuit protection, thermal shutdown, over-voltage protection, and under-voltage lock-out. The PAM8320 is available in a SO-16EP package.Features
- Operates from 4.5V to 15V
- 20W into 4Ω BTL Load from 12V Supply
- Single-Ended Analog Input
- No Pop Noise for Start-up and Shut-down Sequences
- Internal Oscillator (No External Components Required)
- Thermal and Short-Circuit Protection with Auto Recovery
- Over Voltage Protection and Under Voltage Lock-out
- High Efficient Class-D Operation Eliminates Need for Heat Sinks
- Space-Saving Surface-Mount SO-16EP Package
- Pb-Free Package
Applications
- PC Speaker
- Blue Tooth Speaker
- Home Sound Systems
- Active Speakers
- Docking stations
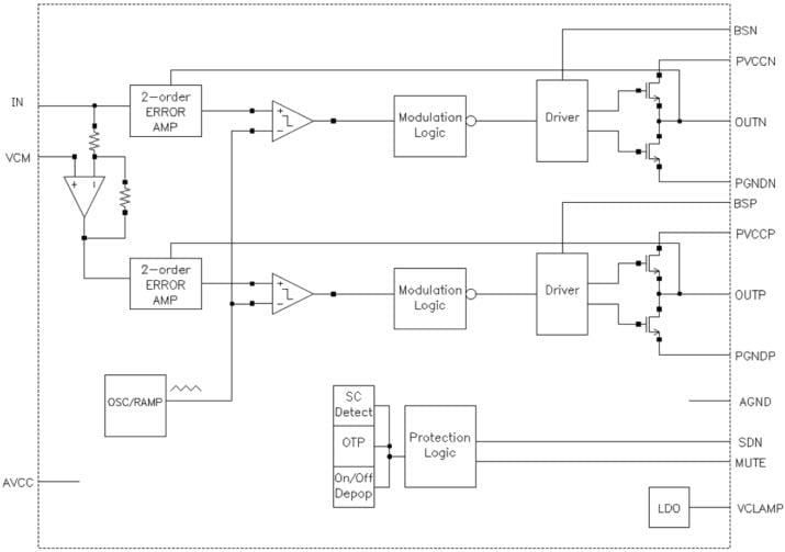
Functional Block Diagram
Published: 2014-05-30
| Updated: 2022-03-11
