Diodes Incorporated API772X Dual-Channel Digital Isolators
Diodes Incorporated API772X Dual-Channel Digital Isolators are high-performance digital isolators that offer 5000VRMS in a SO-8W (Type CJ) package per UL 1577. These digital isolators operate at a 100Mbps data rate, a 2.5V to 5.5V supply voltage range, ±150kV/μs minimum Common-Mode Transient Immunity (CMTI), and 11ns typical low propagation delay. The API772X digital isolators incorporate CMOS threshold inputs, selectable default output logic (high or low), channel direction configurations, and consume low power. These digital isolators are compliant with RoHS, lead-free, and safety certifications from VDE, UL, and CQC. The API772X digital isolators are ideal for solar inverters, motor controls, industrial automations, power in the data center/telecom equipment, grid, and electricity meters.
Features
- 100Mbps data rate
- 2.5V to 5.5V supply voltage range
- ±150kV/μs minimum CMTI
- CMOS threshold inputs
- Default output high (API772X) and low (API772XF) options
- Low-power consumption, typical 2.1mA per channel at 1Mbps
- 11ns typical low propagation delay
- Safety-related certifications:
- 8000VPK (SO-8W (Type CJ)) isolation per DIN VDE 0884-17:2021-10
- 5000VRMS (SO-8W (Type CJ)) isolation for 1 minute per UL 1577
- CQC certification per GB 4943.1-2022
- SO-8W (Type CJ) package
- -40 to 125°C operating temperature range
- Totally lead-free
- Fully RoHS compliant
Applications
- Solar inverters
- Motor controls
- Industrial automations
- Power in the data center/telecom equipment
- Grid, electricity meters
Typical Application Circuit Diagram
Internal Block Diagram
Insulation Characteristics Curves
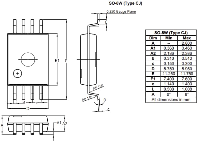
Dimensions
Additional Resource
| Part Number | Datasheet | Description |
|---|---|---|
| API7720FSB-13 | ![]() |
Digital Isolators Digital Isolation SO-8W T&R 1K |
| API7720SB-13 | ![]() |
Digital Isolators Digital Isolation SO-8W T&R 1K |
| API7721SB-13 | ![]() |
Digital Isolators Digital Isolation SO-8W T&R 1K |
| API7722SB-13 | ![]() |
Digital Isolators Digital Isolation SO-8W T&R 1K |
| API7721FSB-13 | ![]() |
Digital Isolators Digital Isolation SO-8W T&R 1K |
| API7722FSB-13 | ![]() |
Digital Isolators Digital Isolation SO-8W T&R 1K |

