Diodes Incorporated AL3069Q Automotive Display LED-Backlight Drivers
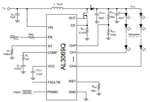
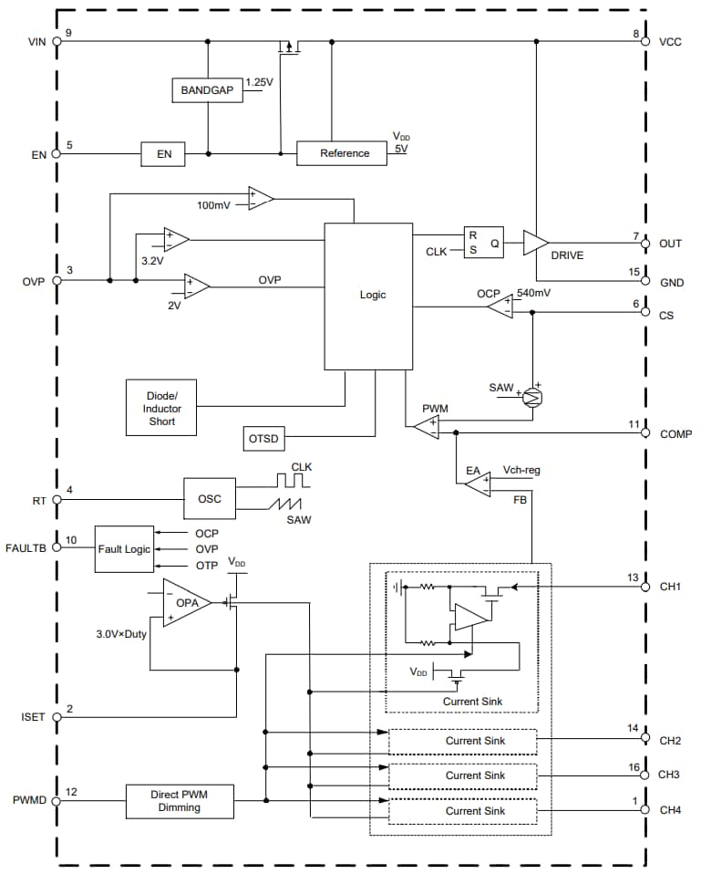
Diodes Incorporated AL3069Q Automotive Display LED-Backlight Drivers are high-efficiency 60V boost controllers designed specifically for automotive LED backlight applications. These drivers integrate four 80V high-precision current sink channels and offer robust fault diagnostics to ensure reliable operation in demanding environments. The AL3069Q LED drivers feature a built-in adaptive voltage control and operate over a wide input voltage range from 4.5V to 60V. These drivers offer an adjustable switching frequency of 100kHz to 1MHz, and a minimum PWM dimming duty cycle of 1/5000 can be achieved at 100Hz. The AL3069Q drivers are available in the TSSOP-16EP (Type DX) and UQFN4040-16/SWP (Type UXB) packages. These LED-backlight drivers are qualified to AEC-Q100 Grade 1 and are automotive grade to support PPAPs. The AL3069Q drivers feature some of the most advanced fault-diagnostics and robust protections, making them ideal for applications like automotive infotainment, instrument clusters, and smart mirrors.
Features
- AEC-Q100 grade 1 qualified
- Boost or SEPIC DC/DC controller
- Built-in adaptive voltage feedback
- 4.5V to 60V input-voltage range
- High-voltage pins CS and OVP for safety test
- 100kHz to 1MHz switching frequency range
- Four high-precision current sinks
- 250mA per string and 400mA pulse current
- Typical ±0.5% channel-to-channel current matching
- Supports direct PWM dimming
- Extensive fault diagnostics
- Open-drain fault report pin
- Minimum PWM dimming duty cycle achieved 1/5000 at 100Hz dimming frequency
- LED open/short protection
- Schottky diode/inductor short-circuit protection
- Built-in protections:
- Over Current Protection (OCP)
- Over Voltage Protection (OVP)
- Over Temperature Protection (OTP)
- Under Voltage Lockout (UVLO)
- VOUT Short/Schottky diode open protection
- Totally lead-free and fully RoHS compliant
- Halogen and Antimony-free ["Green" device]
Applications
- Automotive infotainments
- Automotive instrument clusters
- Smart mirrors
- Heads-up Displays (HUDs)
Application Circuit Diagram
Functional Block Diagram
