Diodes Incorporated AP7220x DC-DC Buck-Boost Converters
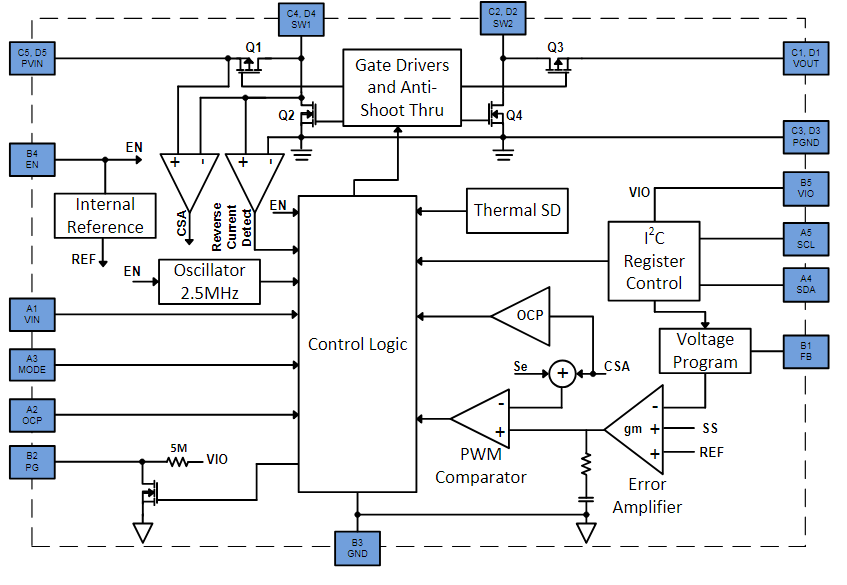
Diodes Incorporated AP7220x DC-DC Buck-Boost Converters are high current synchronous converters that provide high efficiency, excellent transient response, and high DC output accuracy. The buck-boost converters come with a four-switch H-bridge configuration that supports buck and boost operation with 2A continuous output current. These AP7220x converters integrate a two-wire serial interface consisting of a bidirectional serial-data line, SDA, and support SCL clock rates up to 3.4MHz. The buck-boost converters feature a 2.5MHz switching frequency, ultrasonic operation programmable through I2C, and adjustable overcurrent limit. These converters are available in 20 balls WLCSP package with 2.125mm x 1.750mm dimensions. Typical applications include smartphones, tablets, and portable customer devices.Features
- 2.3V to 5.5V VIN input voltage
- 2.6V to 5.14V output voltage range
- 2A continuous output current
- 2.5MHz switching frequency
- I2C interface
- Selectable MODE PFM/PWM
- Ultrasonic operation programmable through I2C
- Power good indicator with 5MΩ internal pull-up
- Adjustable overcurrent limit
- Fully protected for :
- Overcurrent
- Short circuit
- Reverse current protection
- Overtemperature
- Undervoltage-Lockout (UVLO)
- Totally lead-free and fully RoHS compliant
- Halogen and antimony-free
Applications
- Smartphones
- Tablets
- Portable consumer devices
Block Diagram
Published: 2018-08-01
| Updated: 2022-09-28
