Diodes Incorporated AL1783Q Three-channel PWM Linear LED Driver

Diodes Incorporated AL1783Q Three-channel PWM Linear LED Driver is designed to target automotive LED lighting applications and is attributed to a compact solution. This driver offers independent PWM dimming and current setting controls for each channel. The AL1783Q driver is also attributed to a PWM dimming performance, eBOM cost-effectiveness, ease of system implementation, and low standby power. This driver is available in the TSSOP-16EP package and minimizes external component count and PCB space. The AL1783Q driver features three external ref pins to set LED current for each channel, and this driver is lead-free, and RoHS compliant. This driver operates at a 6.5V to 55V input voltage range and -55°C to 160°C storage temperature range. The AL1783Q driver is used in position, fog, and rear lights.

Features

  • Three external ref pins to set LED current for each channel
  • AEC-Q100 (grade 1) qualified
  • Independent PWM dimming control for each channel
  • Three external ref pins to set LED current for each channel
  • Enter and exit standby power-saving mode automatically
  • Robust protections:
    • Undervoltage Lockout (UVLO)
    • Overvoltage Protection (OVP)
    • LED String Open Protection (LED Open)
  • Overtemperature Protection (OTP):
    • Thermal foldback
    • Thermal shutdown
    • Automatic thermal recovery
  • Fault reporting:
    • UVLO
    • OTP
    • LED open and short
  • Lead-free and RoHS-compliant

Specifications

  • 6.5V to 55V input voltage range
  • ±4% LED current tolerance at 125mA
  • 40kHz fast PWM dimming
  • -55°C to 160°C storage temperature range
  • -40°C to 150°C operating junction temperature range
  • -40°C to 125°C operating ambient temperature range

Applications

  • Daytime running lights
  • Position lights
  • Fog lights
  • Rear lights
  • Stop or taillights
  • Interior lighting

Typical Application Circuit Diagram

Application Circuit Diagram - Diodes Incorporated AL1783Q Three-channel PWM Linear LED Driver

Block Diagram

Block Diagram - Diodes Incorporated AL1783Q Three-channel PWM Linear LED Driver

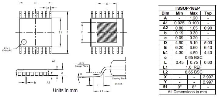
Dimension Diagram

Mechanical Drawing - Diodes Incorporated AL1783Q Three-channel PWM Linear LED Driver
Published: 2024-01-31 | Updated: 2024-03-07