Cincon CBM70S 70W AC-DC Brick Power Supplies

Cincon CBM70S 70W AC-DC Brick Power Supplies are highly efficient, reliable, compact, high power density, single output AC/DC power modules that are fully protected against short circuit and over-voltage conditions. The all-in-one CBM70S power supplies are packaged in a 17mm ultra-low-profile half-brick package that is baseplate cooled and does not require a fan. Features include a wide operating temperature range, efficiency up to 89.5%, and a universal input range of 90VAC to 264VAC. The Cincon CBM70S 70W AC-DC Brick Power Supplies also offers a built-in EN55032 Class B filter and Safety IEC/EN/UL 62368-1 approval.

Features

  • Universal input range of 90VAC to 264VAC
  • Efficiency up to 89.5%
  • Full load with baseplate cooled and no fan required
  • Wide operating temperature range
  • 17mm ultra-low-profile half-brick package
  • Built-in EN55032 Class B filter
  • All-in-one without external components
  • <150mW no-load input power consumption
  • Continuous short-circuit, overvoltage, and overtemperature protection
  • Safety IEC/EN/UL 62368-1 approval
  • Meets Class Ⅰ
  • 5000m operating altitude

Specifications

  • 12V, 24V, 35V, and 48V output voltage options
  • 1.46A to 5.83A output current range
  • 120mV to 480mV ripple and noise range
  • ±1.0% voltage accuracy
  • ±0.5% line regulation
  • ±1% load regulation
  • Single output
  • Input
    • 90VAC to 264VAC input voltage range
    • 100VAC to 240VAC operating voltage range
    • 47Hz to 63Hz input frequency range
    • 1.5A maximum input current
    • 3.5mA leakage current
    • 100A inrush current
    • 63VAC to 77VAC under-voltage protection range
  • Output
    • 6ms holdup time
    • ±10% output voltage trim range
    • 110% to 150% over current protection
    • 16VDC to 63VDC overvoltage protection range
  • 1460µF to 5830µF load capacitance
  • Isolation
    • 3000VAC input to output
    • 1800VAC input to earth (ground)
    • 500VAC output to earth (ground)
    • 100MΩ minimum isolation resistance
  • 65kHz switching frequency
  • 93% relative humidity, non-condensing
  • -40°C to +85°C operating/storage temperature range
  • 5000m operating altitude

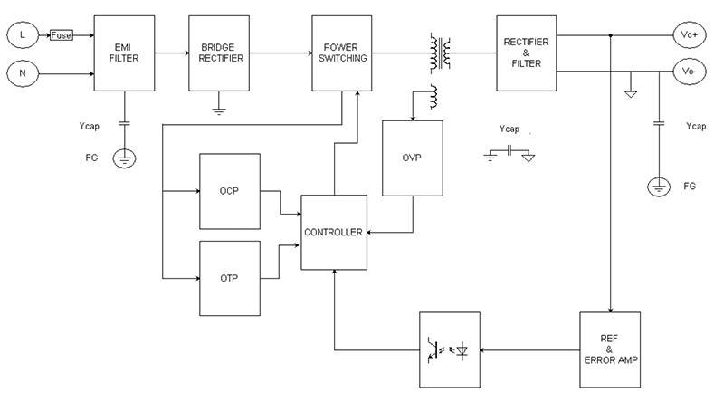
Electrical Block Diagram

Block Diagram - Cincon CBM70S 70W AC-DC Brick Power Supplies
Published: 2021-05-14 | Updated: 2024-10-02