Broadcom HSMF LED Indicators
Broadcom HSMF LED Indicators offer high-reliability performance and are designed to work under a wide range of environmental conditions. These LEDs feature high-brightness using AlInGaP and InGaN dice technologies. The super-wide viewing-angle at 120° together with the built-in reflector pushing up the intensity of the light output makes these LEDs suitable for interior electronics signs. The HSMF LEDs are compatible with the Infrared (IR) and Through-the-Wave (TTW) solder reflow process. These LEDs are available in bi-color and tri-color options and are packaged in the industry-standard Plastic Leaded Chip Carrier (PLCC- 4) package. The HSMF LEDs are suitable for general backlighting in automotive interior, office equipment, industrial equipment, and home appliances.Features
- High reliability LED package due to enhanced silicone resin material
- High brightness using AlInGaP and InGaN dice technologies
- Super wide viewing angle at 120°
- Available in a full selection of colors
- Industry-standard PLCC-4 package
- Available in 8mm carrier tape on a 7-inch reel
- Compatible with IR and TTW solder reflow process
Applications
- Electronic signs and signals:
- Interior full-color sign
- Variable message sign
- Interior automotive:
- Instrument cluster backlighting
- Central console backlighting
- Cabin backlighting
- Office automation
- Home appliances
- Industrial equipment
- Front panel backlighting
- Display backlighting
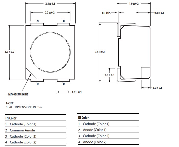
Package Dimensions
Published: 2021-03-18
| Updated: 2022-03-11
