Broadcom ACPL-K309T Automotive Photovoltaic Drivers
Broadcom ACPL-K309T Automotive Photovoltaic Drivers are specifically designed to drive high voltage MOSFETs and IGBTs with R2Coupler™ isolation. The R2Coupler isolation devices provide reinforced insulation and reliability that deliver safe signal isolation for critical automotive and high-temperature industrial applications. These photovoltaic drivers are available in a stretched SO-8 package compatible with standard surface mount processes. The ACPL-K309T photovoltaic drivers are ideal for solid-state relays, high-side power switch control, battery management systems, and battery insulation resistance measurement/leakage detection.The ACPL-K309T photovoltaic MOSFET drivers consist of an AlGaAs infrared Light-Emitting Diode (LED) input stage optically coupled to an output detector circuit. These photovoltaic drivers operate at -40°C to 125°C temperature range. The design of ACPL-K309T automotive photovoltaic drivers does not require a secondary side bias supply.
Features
- Qualified to AEC-Q100 test guidelines
- -40°C to 125°C automotive temperature range
- Drive external power MOSFET/IGBT without isolated secondary supply
- Low IF drive of 3mA
- Open-circuit voltage:
- 14.3V typical at IF = 10mA
- Short-circuit current:
- 34μA typical at IF = 10mA
- Fast switching speed for IF = 10mA, CL = 1nF:
- 0.26ms typical turn-on time
- 0.013ms typical turn-off time
- Regulatory approvals:
- UL/cUL 1577 5kVRMS for 1 minute
- IEC/EN 60747-5-5 VIORM = 1260VPEAK
Applications
- Solid state relay
- High-side power switch control
- Battery management system
- Pre-charge/active discharge circuit in high voltage system
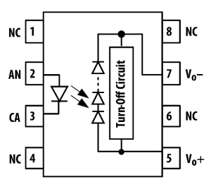
Functional Diagram
Application Circuit Diagram
Dimensions
Published: 2024-03-14
| Updated: 2025-02-20
