ATC Diversified Electronics ARA Alternating Relays
ATC Diversified Electronics ARA Alternating Relays alternate the sequence while assuring equal run time on all loads. These alternating relays offer triplexor, quadraplexor, and duplexor variants. The triplexor and quadraplexor are designed to be used in multiple load installations, which allows additional loads to run in the event of excess load requirements. These triplexor and quadraplexor relays feature external clocking alterations and automatic alterations. The alternating action is initiated by a control switch, familiar with one side of the control voltage, when the factory-installed jumper is in place. Alternating movement is undertaken by an isolated, ordinarily open switch when the jumper is removed. The triplexor and quadraplexor relays operate at 240V switching voltage and 120V coil voltage.The duplexor alternating relays are used in control panels. Alternating action is initiated by a control switch, familiar with one side of the control voltage. Each time the control switch is opened, the output contacts will change states alternating the two loads. The LED indicators see the position of the output relay. These relays operate at 48V coil voltage and 1mA control switch current.
Specifications
- Triplexor and Quadraplexor alternating relays:
- 120V coil voltage
- 2mA control switch current
- Duplexor alternating relays:
- 48V coil voltage
- 1mA control switch current
- 3VA power
- 240V switching voltage
- 10A contact current rating
- -40°C to 85°C storage temperature range
- -20°C to 55°C operating temperature range
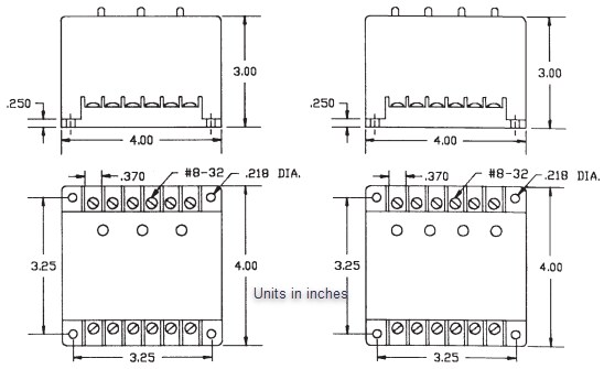
Dimension Diagram ( Triplexor and Quadraplexor Alternating Relays)
Dimension Diagram (Duplexor Alternating Relays)
Wiring ( Triplexor and Quadraplexor Alternating Relays)
Wiring (Duplexor Alternating Relays )
Published: 2023-04-24
| Updated: 2023-11-03
