Analog Devices Inc. MAX77960/MAX77961 USB-C™ Buck-Boost Chargers

Analog Devices Inc. MAX77960/MAX7761 USB-C™ Buck-Boost Chargers are high-performance wide input 3A or 6A chargers with Smart Power Selector™. The chargers operate as a reverse buck converter without an additional inductor. This allows the ICs to power USB on-the-go (OTG) accessories. The devices integrate low-loss power switches and provide high efficiency. MAX77960/MAX7761 also provides low heat, fast battery charging, and a true load disconnect. An adjustable output current limit protects it. The devices are highly flexible and programmable through the I2C configuration or autonomously through a resistor configuration.

Features

  • 3.5V to 25.4V input operating range, 30VDC withstand
  • 97% peak efficiency for 2S battery at 9VIN/7.4VOUT/1.5AOUT
  • 97% peak efficiency for 3S battery at 15VIN/12.6VOUT/2AOUT
  • MAX77960
    • 100mA to 3.15A programmable input current limit
    • 100mA to 3A programmable constant current charge
  • MAX77961
    • 100mA to 6.3A programmable input current limit
    • 100mA to 6A programmable constant current charge​
  • Remote differential voltage sensing
  • 600kHz switching frequency
  • System instant-on with smart power selector power path
  • Charge safety timer
  • Die temperature regulation with thermal foldback loop
  • Input power management with Adaptive Input Current Limit (AICL) and input voltage regulation
  • 10mΩ BATT to SYS switch, up to 10A overcurrent threshold
  • Reverse buck mode 5.1V/3A to support USB OTG
  • JEITA compliant with NTC thermistor monitor
  • I2C or resistor-programmable
  • 4mm x 4mm, 30-Lead FC2QFN package

Applications

  • USB Type-C powered wide-input charging applications
  • 2- and 3-cell battery-powered devices
  • Smartphones, tablets, and 2-in-1 laptops
  • Medical devices, health, and fitness monitors
  • Digital still, video, and action cameras
  • Handheld computers and terminals
  • Handheld radios
  • Power tools
  • Drones
  • Battery backup
  • Wireless speakers

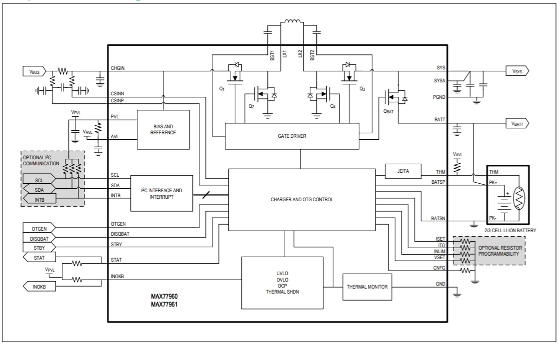
Block Diagram

Block Diagram - Analog Devices Inc. MAX77960/MAX77961 USB-C™ Buck-Boost Chargers
Published: 2020-10-26 | Updated: 2024-07-11