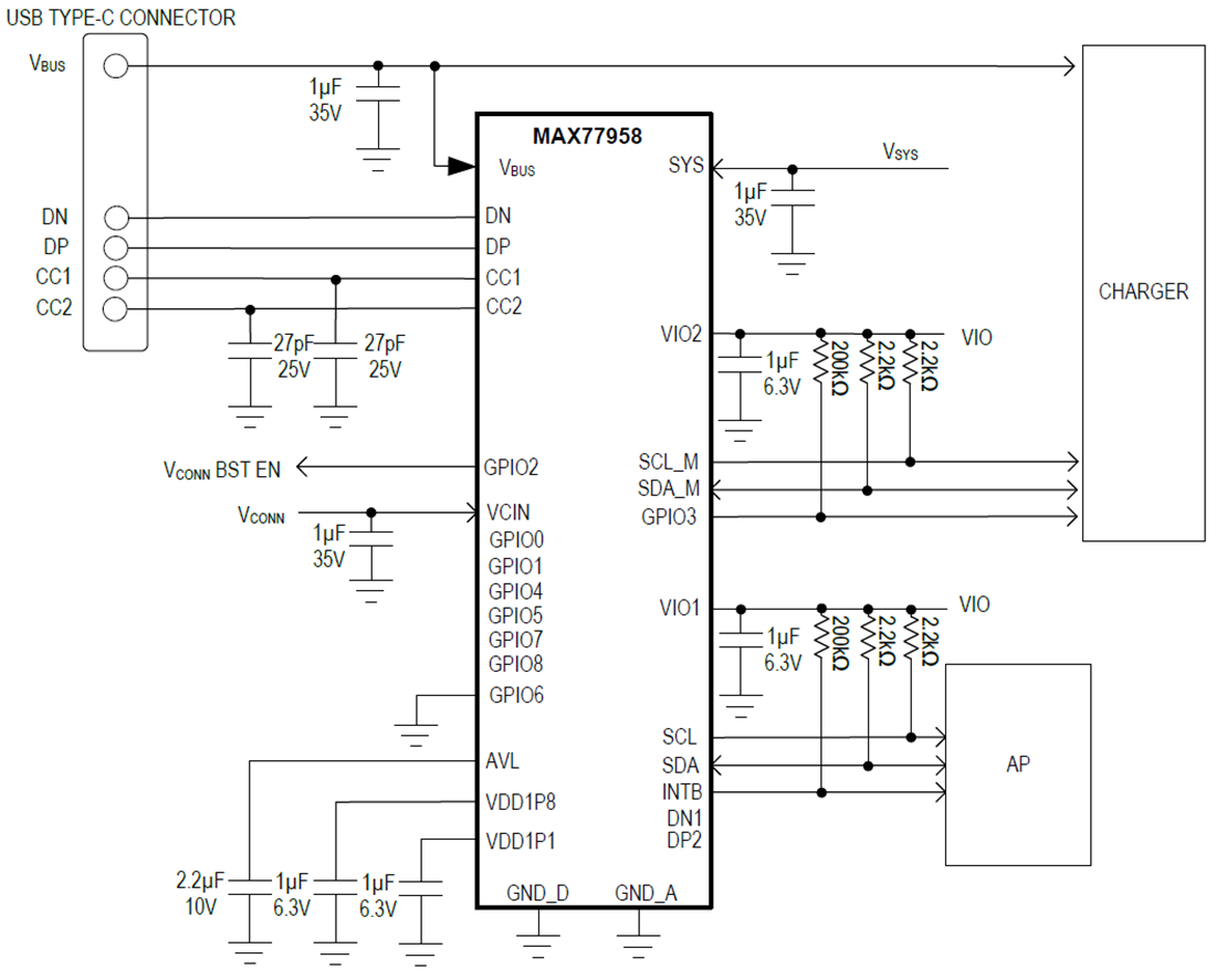
Analog Devices Inc. MAX77958 USB Type-C™ & USB PD Controller
Analog Devices Inc. MAX77958 USB Type-C™ and USB PD Controller is a robust solution for USB Type-C CC detection and power delivery (PD) protocol implementation. It detects connected accessories or devices by using Type-C CC detection and USB PD messaging. The MAX77958 protects against overvoltage and overcurrent, and detects moisture and prevents corrosion on the USB Type-C connector. The IC also has a D+/D- USB switch and BC1.2 detection to support legacy USB standards. It contains VCONN switches for USB PD and an enable pin for an external VCONN boost or buck converter.The ADI MAX77958 contains firmware compliant with USB Type-C Specification Release 1.3 and PD 3.0. It is easily further customizable without compromising compliance. The MAX77958 has an I2C master that can read and write to other devices in the system so that its firmware can configure related devices without the main processor's assistance. For example, it can configure an external charger based on BC1.2 detection, CC detection, and PD communication.
The IC has an interrupt output pin to report events detection and status changes. It also has an I2C interface that the system can read/write and configure internal registers. The MAX77958 offers nine configurable GPIOs that can be used for detection, as interrupts, and as the turn pin for external devices on/off, or as ADC inputs. The IC is available in a 3.10mm x 2.65mm, 0.5mm pitch, wafer-level package (WLP).
Features
- Customizable firmware
- USB compliant default embedded firmware
- Supports customizable actions on events
- Firmware updates for future specification revisions
- USB Type-C support and USB-PD support
- USB Type-C version 1.3 and PD 3.0 compliant
- Mode configuration: Sink/Source/Dual role port
- Programmable Power Supply (PPS) sink support
- Fast Role Swap (FRS) initial sink support
- Cable orientation and power role detection
- Integrated VCONN switch with OCP
- Support for Try.Snk state
- Audio and debug accessory sink/source mode
- Support BC1.2 legacy/proprietary charger detection, integrated D+/D- switches
- Moisture detection corrosion prevention
- High voltage VBUS range (28V)
- Short to VBUS protection on CC pins (22V)
- Dead battery support
- Dual supply inputs from SYS and VBUS
- I2C programmable configuration
- I2C master to control external charger or direct charge IC
- 9x configurable GPIOs (GPIO6 for SID)
- SuperSpeed Mux/Detection/IRQ
- EN/DISABLE external switches or devices
- 3.10mm x 2.65mm WLP30 package, 0.5mm pitch
Applications
- Smartphones
- Tablets
- Cameras
- Game players
- Power banks
- Industrial equipment PoE to USB Type-C adapters
- Handheld devices
- Portable devices
- Monitors
- Healthcare and medical devices
- Other USB Type-C devices
Block Diagram
