Analog Devices / Maxim Integrated MAX77863 Power Management IC

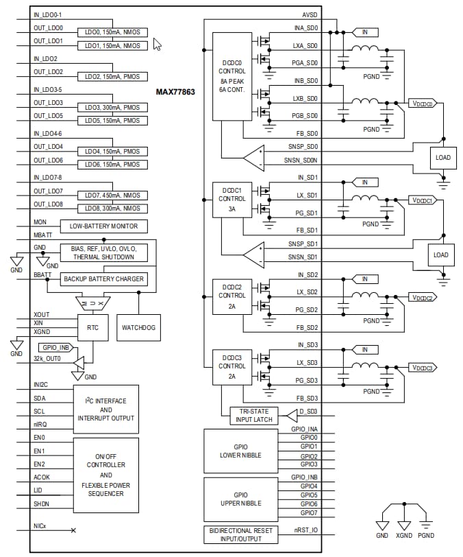
Analog Devices Inc. MAX77863 Power Management IC is designed for mobile devices using system-on-chip (SoC) application processors. The device is available in a wafer-level package (WLP) for space-constrained applications, including smartphones, GPS, and set-top boxes. MAX77863 Power Management IC features 13x regulators. Two regulators provide differential remote sensing and are rated for continuous and peak output current. Numerous factory-programmable options allow the device to be tailored for many applications.

Features

  • Operates from a 2.6V to 5.5V source
  • 0.6V to 3.3875V output voltage range
  • 8A output current
  • Allows for low-cost PCB technology
  • Includes 4x DC-to-DC step-down regulators
  • Includes 9x low-dropout linear regulators
  • No external MOSFETs required
  • Consumes 12µA in its lowest-power state
  • Low-power modes on all regulators reduce power consumption
  • LDOs are stable with only the Point-of-Load capacitor
  • I2C 3.0-compatible interface
  • nIRQ interrupt output
  • 8x GPIOs
  • Real-Time Clock (RTC)
  • Backup battery charger
  • Timing clock output
  • System watchdog timer
  • I2C watchdog timer
  • Bidirectional reset I/O
  • Flexible Power Sequencer (FPS)
  • Thermal shutdown
  • -40° C to +85°C operating temperature range

Applications

  • Personal Internet viewer
  • Digital photo frames
  • Set-top boxes
  • Smartphones
  • GPS
  • Automotive aftermarket accessories

Simplified Functional Diagram

Block Diagram - Analog Devices / Maxim Integrated MAX77863 Power Management IC
Published: 2019-11-22 | Updated: 2023-05-04