Analog Devices / Maxim Integrated MAX5980 Quad PSE Power Controllers

Analog Devices MAX5980 Quad, Power-Sourcing Equipment (PSE) Power Controllers for Power-over-Ethernet are designed for use in IEEE® 802.3at/af-compliant PSE. Analog Devices MAX5980 provides powered device (PD) discovery, classification, current limit, and load disconnect detection, supporting fully automatic operation and software programmability. 

MAX5980 PSE Power Controllers also support new 2-event classification and Class 5 for detecting and classifying high-power PDs. Analog Devices MAX5980 supports single-supply operation, provides up to 70W to each port (Class 5 enabled), and still provides high-capacitance detection for legacy PDs. It features an I²C-compatible, 3-wire serial interface and is software configurable and programmable.

Features

  • IEEE 802.3at/af compliant
  • 0.25Ω Current-sensing resistor
  • Up to 70W per port for PSE applications
  • 9-Bit port current and voltage monitoring
  • I²C-compatible, 3-wire serial interface
  • Supports single-supply operation
  • High-capacitance detection for legacy devices
  • Supports DC load-removal detections
  • Space-saving, 32-Pin TQFN (5mm x 5mm) power package

Applications

  • PSE-ICM
  • Power-Sourcing Equipment (PSE)
  • Switches/routers
  • Midspan power injectors

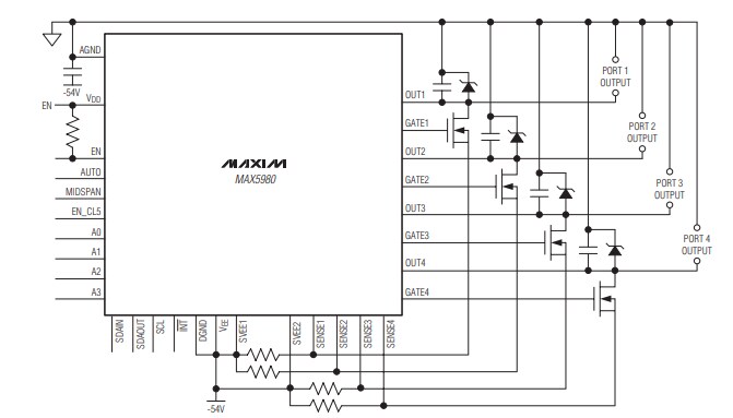
Simplified Operating Circuit

Application Circuit Diagram - Analog Devices / Maxim Integrated MAX5980 Quad PSE Power Controllers
Published: 2012-01-16 | Updated: 2023-04-13