Analog Devices / Maxim Integrated MAX22288 Home Bus System Compatible Transceivers
Analog Devices MAX22288 Home Bus System Compatible Transceivers are used where data and power are passed on a single pair of wires. The transceivers minimize the need for external components and provide robust communication by using dynamic cable termination. This improves signal quality with longer cables and higher data rates. The device data outputs AIO/BIO do not load the bus when the MAX22288 is not powered. The Analog Devices MAX22288 supports passing data with a speed of up to 200kbps.Features
- Robust Communication with Configurability
- Dynamic Cable Termination Improves Signal Quality for High-Speed Applications
- Adjustable Slew Rates for Low EMI
- Maximum Data Rate up to 200kbps over 1000m UTP Cable
- Programmable Receiver Thresholds
- Space Saving
- 4mm x 4mm TQFN package
- Pin-to-pin Compatible with the MAX22088
- Integrated Protection
- IEC 61000-4-2 ±8kV Contact and ±15kV Air-Gap ESD Protection
- IEC 61000-4-5 ±1kV Transient Surge Protection with Selected External Components
- -40°C to +125°C Operating Temperature Range
Applications
- HVAC
- Building Controllers
- Industrial IoT
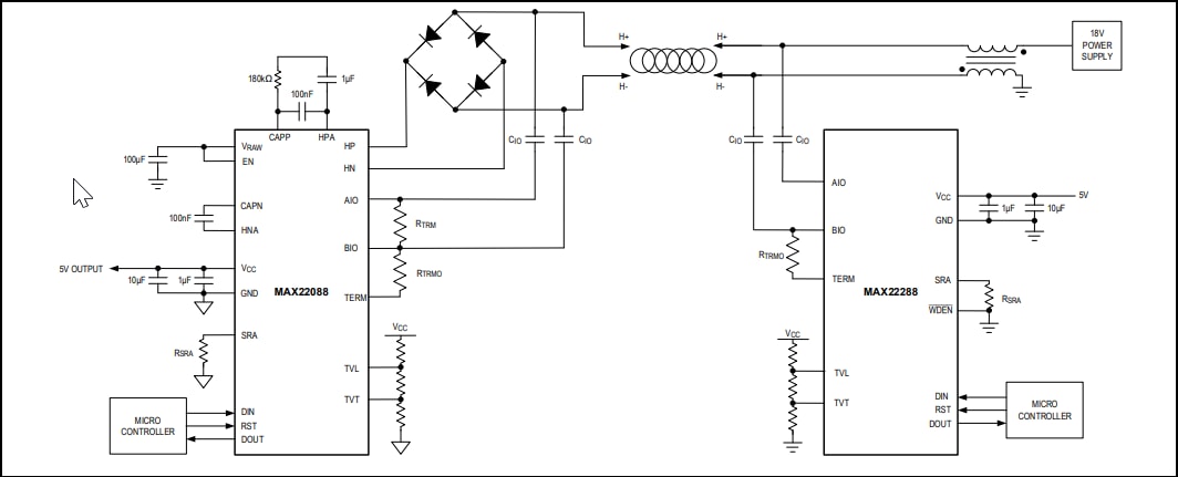
Simplified Home Bus System (HBS)
Published: 2021-10-08
| Updated: 2023-04-17
