Analog Devices / Maxim Integrated MAX22199EVKIT Evaluation Kit

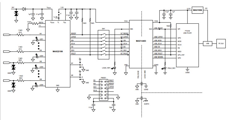
Analog Devices MAX22199EVKIT Evaluation Kit delivers the hardware and software necessary to evaluate the MAX22199 Octal Industrial Digital Input. The MAX22199 Octal Industrial Digital Input translates eight 24V current-sinking industrial inputs to a serialized SPI-compatible output that interfaces with 3V to 5.5V logic. The IEC 61131-2 compliant industrial digital input device operates as eight Type 1/Type 3 digital inputs or four Type 2 digital inputs. Analog Devices MAX22199EVKIT Evaluation Kit receives commands from a PC through the USB port to create an SPI interface for communication between the software and the mounted MAX22199. The kit has a Pmod™ compatible connector for SPI communication with an external host device such as an MCU or FPGA.

A graphical user interface (GUI) provides communication between the target device and the PC. The MAX22199EVKIT is designed to support transient immunity testing for ESD, EFT, and Surge according to IEC 61000-4-2, IEC 61000-61000-4-4, and IEC 61000-4-5, respectively.

Features

  • Easy evaluation of the MAX22199
  • EV Kit logic side is USB-powered
  • Configured for IEC 61131-2 Type 1, 3
  • Galvanic Isolation using MAX14483
  • Supports transient immunity testing to IEC 61000-4-2, IEC 61000-4-4, and IEC 61000-4-5
  • Robust design ±2kV surge tolerant line-to-ground and line-to-line, ±8kV contact ESD, and ±15kV AirGap ESD at field inputs
  • Windows® 10 compatible software
  • Fully assembled and tested
  • Proven PCB layout
  • RoHS Compliant

Kit Contents

  • MAX22199EVKIT#, including the MAX22199ATJ+
  • Micro-USB cable

Required Equipment

  • MAX22199 EV kit
  • 24V DC voltage supply (or 24V AC-DC adapter with barrel connector)
  • Micro-USB cable
  • Windows 10, Windows 8,1, Windows 7, Window XP PC with a spare USB port

System Block Diagram

Block Diagram - Analog Devices / Maxim Integrated MAX22199EVKIT Evaluation Kit
Published: 2021-11-09 | Updated: 2023-04-17