Analog Devices / Maxim Integrated MAX22195 High-Speed Octal Industrial Digital Input
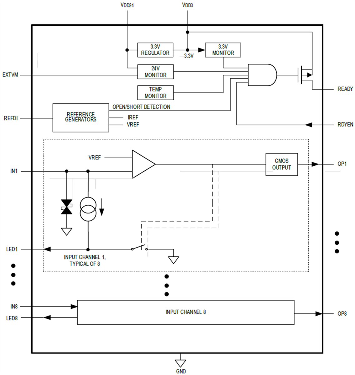
Analog Devices MAX22195 High-Speed Octal Industrial Digital Input translates eight 24V industrial digital inputs to eight CMOS-compatible, parallel outputs. The propagation delay from input to output is less than 300ns for all channels. Current limiters on each digital input significantly reduce power dissipation compared to traditional resistive inputs. The accuracy of these current limiters minimizes power dissipation while ensuring compliance with the IEC 61131-2 standard. A current-setting resistor allows the Analog Devices MAX22195 to be configured for Type 1, Type 2, or Type 3 inputs. Additionally, the MAX22195 has energyless field-side LED drivers to meet the indicator light requirement of IEC 61131-2 with no additional power dissipation.Features
- High-speed, industrial digital inputs
- 300ns maximum propagation delay
- ±10ns maximum channel-to-channel skew
- Parallel output for simultaneous signal delivery
- High integration reduces BOM count and board space
- Operates directly from field supply (7V to 65V)
- Compatible with 3.3V or 5V logic
- 5mmx5mm, 32-TQFN package
- Low power and low heat dissipation
- Low quiescent current (1.2mA maximum)
- Accurate input current-limiters
- Energyless field-side LED drivers
- Fault-tolerant with built-in diagnostics
- Integrated field-side supply monitor
- Integrated over-temperature monitor
- Current-setting resistor monitor
- Configurability enables a wide range of applications
- Configurable IEC 61131-2 Types 1, 2, 3 inputs
- Configurable input current limiting from 0.56mA to 3.97mA
- Robust design
- ±1kV surge tolerant using a minimum 1kΩ resistor
- ±8kV contact ESD and ±15kV air gap ESD using a minimum 1kΩ resistor
- -40°C to +125°C ambient operating temperature
Applications
- Programmable Logic Controllers
- Industrial automation
- Process automation
- Building automation
Functional Block Diagram
Published: 2018-08-29
| Updated: 2023-04-25
