Analog Devices / Maxim Integrated MAX20328 & MAX20328x MUX Switches
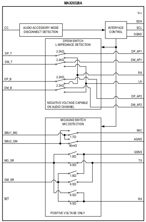
Analog Devices MAX20328 and MAX20328x MUX Switches are USB Type-C™ audio interface ICs for portable applications. Data and SBU lines risk shorting to a high bus voltage, risking permanent damage to the portable device. The MAX20328 and MAX20328x switches offer a USB Type-C and USB Power Delivery (PD) for a high-voltage charging solution. USB 2.0 data lines also need protection when multiplexed with analog audio signals that vary from positive to negative voltages. The devices can detect a CC pin connection event to disable the microphone bias and eliminate pop-up noise when an audio accessory is attached. The Analog Devices MAX20328 and MAX20328x are housed in a 5 x 5 array, 25-bump, 0.4mm pitch, 2.34mm x 2.34mm Wafer-Level Package (WLP).Features
- Versatile and flexible switch configurations
- High-speed USB data or audio switch paths
- Automatic impedance detection in audio configurations
- Full manual switch control
- Beyond-the-Rails™ signal capability
- Overvoltage-protected data and audio channels
- Two separate OVLO blocks
- OVLO threshold programmable to 3.37V, 4.00V, 4.70V, or 5.00V
- High ESD and surge-protected USB Type-C contacts
- ±12kV HBM
- ±25V surge capable on USB Type-C pins
- Negative voltage capable audio channel
- ±5V audio signals (limited by positive OVLO threshold)
- -100dB THD+N
- -100dB PSRR at 217Hz
- Minimal solution size
- 5x5 array, 0.4mm pitch 2.34mm x 2.34mm WLP
Applications
- Smartphones
- Phablets
- Tablet PCs
Published: 2018-07-17
| Updated: 2023-04-25
