Analog Devices / Maxim Integrated MAX77789 3.15A Charger Integrated Circuit (IC)

Analog Devices / Maxim Integrated MAX77789 3.15A Charger Integrated Circuit (IC) offers integrated USB Type-C® CC detection and reverse boost capability. MAX77789  operates within a -40°C to +85°C temperature range and a 4.6V to 13.4V input voltage range with a 3A maximum input current limit. The IC implements the adaptive input current limit (AICL) function (regulates the input voltage by reducing the input current) to prevent the voltage of a weak adapter from collapsing or folding back.

The USB Type-C™ Configuration Channel (CC) detection pins on the IC operate in DRP (Dual Role Port) as a default and are capable of automatic USB Type-C power source detection and sink devices. To support a variety of legacy USBs as well as proprietary adapters, the device also integrates BC1.2 detection using the D+ and D- pins. The IC automatically runs the CC pin and BC1.2 detection when the USB plug is inserted without software control.

The IC offers reverse-boost capability up to 5.1V, 1.5A, which can be enabled with automatic way or the register set by the system MCU. The STAT1 pin indicates charging status, while the INOKB pin indicates valid input voltage. The EXTSM pin can be used to exit ship mode and force the system to reset (POR), and the STAT2 pin shows fault detection and charger detection done indication by register bit selection.

The IC is equipped with a Smart Power Selector™ and a battery true-disconnect FET to control the charging/discharging of the battery or isolate the battery in case of a fault. The IC supports Li-ion and LiFePO4 batteries with various termination voltages from 3.6V to 4.55V. The Analog Devices / Maxim Integrated MAX77789 comes in a 2.85mm x 2.85mm, 0.4mm pitch, 6x6 wafer-level package (WLP), making it suitable for low-cost PCB assembly.

Features

  • Up to 16V protection
  • 13.4V maximum input operating voltage
  • 3.15A maximum charging current
  • 6A discharge current protection
  • Integrated CC detection for USB Type-C
  • Supporting Dual Role Port (DRP)
  • DP/DN manual control for the HVDCP
  • Integrated BC1.2 detection for legacy SDP, DCP, CDP, and DCD timeout
  • Integrated USB detection for common proprietary charger types
  • Automatic input current limit configuration
  • Input voltage regulation with Adaptive Input Current Limit (AICL)
  • 5.1V/1.5A OTG mode and BYP reverse boost
  • -40°C to +85°C operating temperature range
  • Integrated power path
  • Safety
    • Charge safety timer
    • JEITA compliance with NTC thermistor monitor
    • Thermal shutdown
  • Pin control of all functions
    • STAT1 pin to indicate charging status
    • STAT2 pin to indicate fault and charger type detection complete
    • INOKB pin to indicate input power-OK
    • EXTSM pin to exit ship mode and system POR
    • STBY pin to support suspend mode
    • THM pin to monitor thermistor
  • Integrated battery true-disconnect FET
  • I2C compatible with INTB
  • 2.85mm2, 6x6 WLP package

Applications

  • Mobile Point-of-Sale (mPOS) terminals
  • Portable medical devices
  • Wireless headphones
  • GPS trackers
  • Charging cradles for wearable devices
  • Power banks
  • Mobile routers

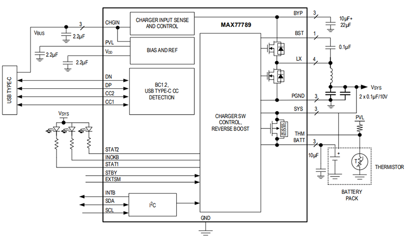
Simplified Block Diagram

Block Diagram - Analog Devices / Maxim Integrated MAX77789 3.15A Charger Integrated Circuit (IC)

Functional Diagram

Block Diagram - Analog Devices / Maxim Integrated MAX77789 3.15A Charger Integrated Circuit (IC)
Published: 2023-08-28 | Updated: 2023-09-01