Analog Devices Inc. LTC2500-32 32-Bit Oversampling ADCs
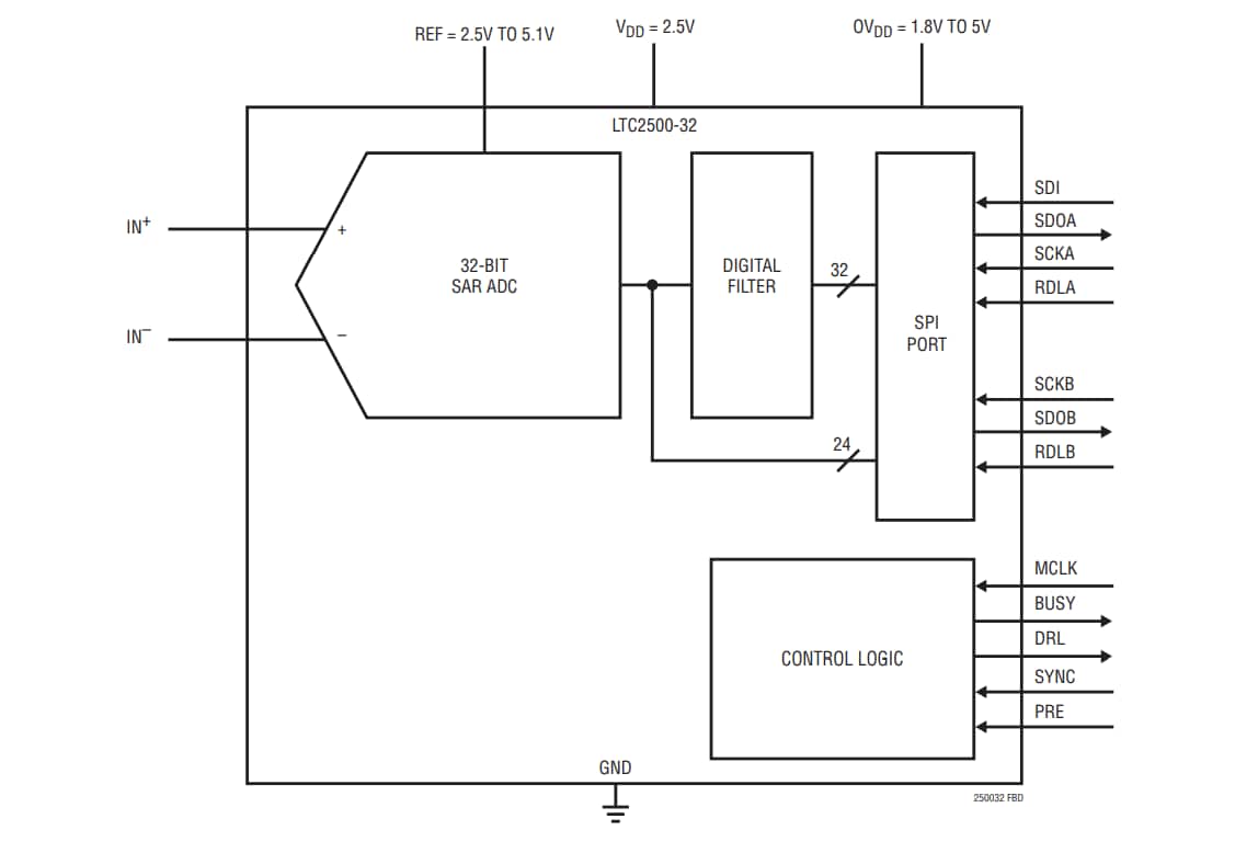
Analog Devices LTC2500-32 32-Bit Oversampling ADCs offer low noise, low power, and high performance with an integrated configurable digital filter. The LTC2500-32 ADCs feature a fully differential input range up to ±VREF, with VREF ranging from 2.5V to 5.1V, operating from a single supply. The device supports a wide common mode range from 0V to VREF simplifying analog signal conditioning requirements.Two output codes are provided simultaneously on the LTC2500-32, a 32-bit digitally filtered high precision low noise code, and a 32-bit no latency composite code. The configurable digital filter reduces measurement noise by lowpass filtering and downsampling the stream of data from the SAR ADC core, resulting in the 32-bit filtered output code. The 32-bit composite code consists of an overrange detection bit, a 24-bit code specifying the differential input voltage and a 7-bit code rendering the common mode input voltage. The 32-bit composite code is available in each conversion cycle, eliminating a cycle of latency.
Using the SPI-compatible interface, the digital filter is highly configurable and features many distinct filter types that are ideal for a wide range of applications. The digital lowpass filter relaxes the requirements for analog anti-aliasing. Utilizing the SYNC pin, multiple LTC2500-32 devices can be easily synchronized.
Features
- ±0.5ppm INL (Typ)
- Guaranteed 32-Bit, no missing codes
- Configurable digital filter with synchronization
- Relaxed anti-aliasing filter requirements
- Dual output 32-Bit SAR ADC
- 32-Bit digitally filtered low noise output
- 24-Bit differential and 7-Bit common mode 1Msps output with over range detection
- Wide input common mode range
- 104dB SNR (Typ) at 1Msps
- 148dB Dynamic range (Typ) at 61sps
- Guaranteed operation to 85°C
- 1.8V to 5V SPI-compatible serial I/O
- Low power of 24mW at 1Msps
- 24-Lead 7mm × 4mm DFN Packages
Applications
- Seismology
- Energy exploration
- Automatic test equipment
- High accuracy instrumentation
Additional Resources
Precision data acquisition for Seismology and Energy Exploration
This article discusses how to design a low noise and low power DAQ solution for seismology and energy exploration.
Block Diagram
Typical Application
