Analog Devices Inc. LT8551 Multiphase Expander

Analog Devices LT8551 Multiphase Expander is a multiphase expander for synchronous boost DC/DC converters. The LT8551 operates in tandem with any synchronous boost DC/DC converter to increase the load current capability by adding additional phases. These phases are clocked out of phase to reduce ripple current and filtering capacitance. The device easily adds phases without the need to route sensitive feedback and control signals. The Analog Devices LT8551 integrates 5V gate drivers and can support up to four boost phases per device. Multiple LT8551 devices can be used for up to 18 phases. The device accurately monitors and adjusts the current of each channel to achieve excellent DC and transient current sharing. The LT8551 operates over a fixed frequency from 100kHz to 1MHz or can be synchronized to an external clock.

Features

  • Expands up to four phases per chip
  • Up to 80V input or output voltage
  • Cascade with multiple chips for high-current applications
  • Supports up to 18 distinct phases from 20° to 180°
  • Phases can share phase angle
  • Excellent DC and transient current sharing
  • Phase-lockable fixed frequency 125kHz to 1MHz
  • Supports bidirectional current flow
  • RSENSE or DCR current sensing
  • Eliminates the need to route sensitive feedback and control signals
  • 52-lead (7mm×8mm) QFN package

Applications

  • High-current distributed power systems
  • Telecom, datacom, and storage systems
  • Industrial and automotive

Typical Application

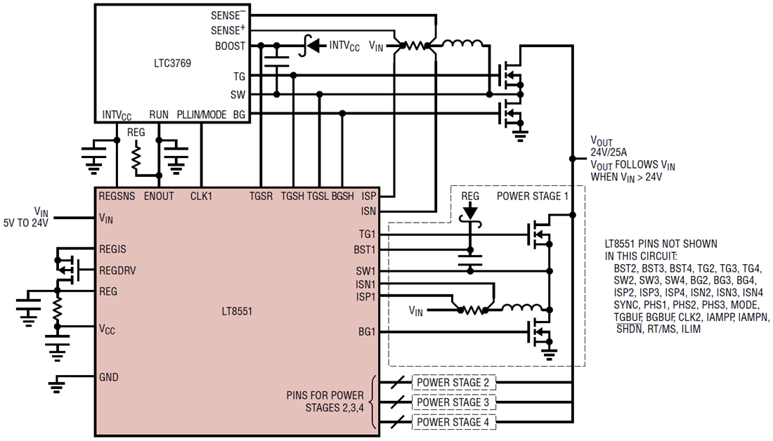
Application Circuit Diagram - Analog Devices Inc. LT8551 Multiphase Expander

Additional Resources

Multiply the Power of a Boost Converter with a Versatile Phase Expander 

The LT8551 phase expander gives power supply designers a flexible tool to build high-power, high-efficiency boost converters by expanding switching phases until the desired limit of power is reached.

Learn More

Published: 2019-07-02 | Updated: 2024-03-08