Analog Devices Inc. HMC7586 I/Q Downconverter

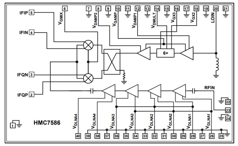
Analog Devices HMC7586 I/Q Downconverter is an integrated E-band GaAs, MMIC In-phase/Quadrature (I/Q) downconverter chip. The HMC7586 downconverter operates at a frequency band of 71GHz to 76GHz providing a small-signal conversion gain of 12.5dB (typical). This device uses a low noise amplifier followed by an image rejection mixer, driven by a 6 x LO multiplier. The HMC7586 downconverters feature differential I and Q mixer outputs for direct conversion applications.

Features

  • Conversion gain is 12.5dB (typical)
  • Image rejection is 28dBc (typical)
  • Noise figure is 5dB (typical)
  • Input power for 1dB compression (P1dB) is -9dBm (typical)
  • Input third-order intercept (IP3) is -1dBm (typical)
  • Input second-order intercept (IP2) is 20dBm (typical)
  • 6 x Local Oscillator (LO) leakage at RFIN is -40dBm (typical)
  • 1 x LO leakage at IFOUT is -50dBm (typical)
  • Radio Frequency (RF) return loss is 5dB (typical)
  • LO return loss is 20dB (typical)
  • Die size is 3.599mm x 2.199mm x 0.05mm

Applications

  • E-band communication systems
  • High capacity wireless backhauls
  • Test and measurement

Functional Block Diagram

Analog Devices Inc. HMC7586 I/Q Downconverter
Published: 2016-10-11 | Updated: 2022-03-11