Analog Devices Inc. EVAL-CN0391-ARDZ Evaluation Board
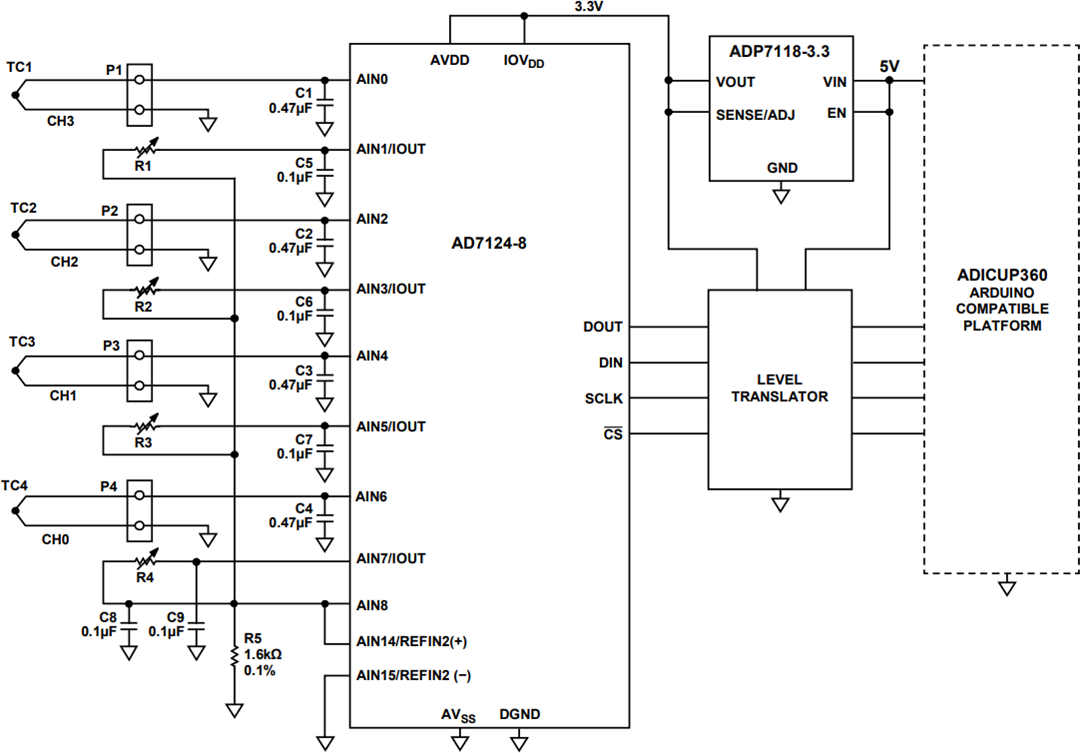
Analog Devices Inc. EVAL-CN0391-ARDZ Evaluation Board features the Arduino shield footprint and helps designers rapidly prototype the CN0391 Multi-channel Thermocouple Measurement System. The CN0391 Multi-channel Thermocouple Measurement System enables designers to input up to four thermocouples. The board supports eight thermocouple types including K, J, T, R, S, E, N, and B. Each individual thermocouple type has a cold-junction compensation along with complete embedded algorithms. CN0391 allows any combination of thermocouples.Features
- Flexible 4-channel thermocouple system
- Cold junction compensation
- 24-bit digitization
- Low power
- Arduino-compatible form factor
Test Setup
Simplified Schematic
Published: 2016-08-31
| Updated: 2025-03-25
