Analog Devices Inc. EV-ADF5355SD1Z Evaluation Board
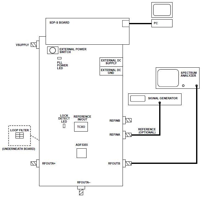
Analog Devices EV-ADF5355SD1Z Evaluation Board helps designers assess the performance of the ADF5355 frequency synthesizers. The EV-ADF5355SD1Z Evaluation Board includes the ADF5355 frequency synthesizer with integrated VCO, a differential 122.88MHz reference TCXO, loop filter, a USB interface, power supply connectors, and sub-miniature Version A (SMA) connectors. A USB cable is included to connect the board to a PC USB port. The EV-ADF5355SD1Z connects to the SDP Controller board, which connects to the PC via USB 2.0. The evaluation software communicates through the SDP Controller Board. The SDP Controller Board then passes information to the evaluation board.Features
- Self-contained board includes:
- ADF5355 frequency synthesizer with integrated voltage-controlled oscillator (VCO)
- Differential 122.88MHz temperature-controlled crystal oscillator (TCXO)
- Loop filter (5kHz)
- USB interface
- Voltage regulators
- Windows-based software allows control of synthesizer functions from a PC
- Externally powered by 6V
Kit Contents
- EV-ADF5355SD1Z
- USB cable
Equipment Needed
- Windows-based PC with USB port for evaluation software
- System demonstration platform, serial only (SDP-S) EVAL-SDP-CS1Z controller board Power supply (6V)
- Spectrum analyzer 50Ω terminators
Evaluation Board Setup
Published: 2016-08-30
| Updated: 2022-03-11
