Analog Devices Inc. ADP2450 Power Management IC

Analog Devices ADP2450 Power Management IC is optimized for low-voltage circuit breakers, such as the molded case circuit breaker (MCCB), and current transformer-powered supply applications. The device integrates four low-offset, low-power-consumption amplifiers. The ADP2450's programmable gain accurately measures a wide current input range based on the CT turn ratio. A low-offset operation amplifier is integrated into the device for leakage current detection. The buck regulator operates over a wide input voltage range of 4.5V to 36V. The output voltage can be adjusted down to 0.6V. The buck regulator provides output currents of up to 500mA.

Features

  • Boost shunt controller
  • Integrated boost shunt driver
  • Programmable power detection threshold
  • Buck regulator
  • 4.5V to 36V adjustable output voltage range
  • 4.5V to 36V input voltage range
  • 500mA continuous output current
  • 1.35mA operating supply current
  • 3.3V and 5V fixed output options
  • 1.2MHz fixed switching frequency
  • Adjustable output voltage down to 0.6V
  • Voltage monitoring and open-drain reset output
  • Four programmable gain amplifiers
  • Low power consumption
  • Programmable gain and output DC common voltage
  • Low offset operation amplifier for leakage and grounding fault current detection
  • Analog trip circuit with programmable trip threshold
  • Actuator driver output
  • Available in 32-lead LFCSP or 48-lead LQFP packages.
  • -40°C to +125°C junction temperature range

Applications

  • Low-voltage circuit breakers
  • CT-powered supplies

Typical Application Circuit

Application Circuit Diagram - Analog Devices Inc. ADP2450 Power Management IC

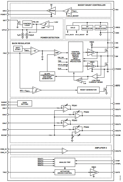
Block Diagram

Block Diagram - Analog Devices Inc. ADP2450 Power Management IC

Power By Linear

Performance Graph - Analog Devices Inc. ADP2450 Power Management IC
Published: 2019-07-22 | Updated: 2024-03-01