Analog Devices Inc. ADM256xE RS-485 Transceivers

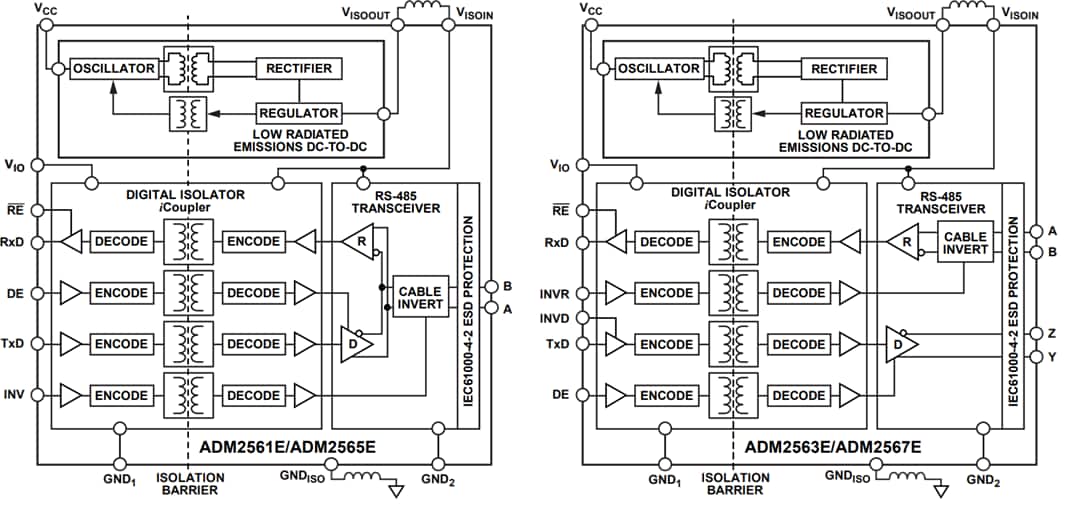
Analog Devices Inc. ADM2561E, ADM2563E, ADM2565E, and ADM2567E RS-485 Transceivers are 3kVRMS signal and power isolated devices, with an integrated DC-DC converter optimized for low Electromagnetic Interference (EMI). The integrated DC-DC converter eliminates the need for an external isolated power supply. The isolation barrier provides immunity to system-level Electromagnetic Compatibility (EMC) standards. The ADM2561E, ADM2563E, ADM2565E, and ADM2567E feature a ±12kV contact and ±15kV air IEC61000-4-2 ESD protection on the RS-485 A, B, Y, and Z pins. The devices also feature cable invert pins, allowing the user to quickly correct reversed cable connection on the A, B, Y, and Z bus pins while maintaining full receiver fail-safe performance.     

Slew rate limited versions are available, which are optimized for low speed over long cable runs, and have a maximum data rate of 500kbps. Half-duplex and full-duplex variants are also available. The full-duplex generics allow independent cable inversion of the driver and receiver for additional flexibility.

The Analog Devices ADM2561E, ADM2563E, ADM2565E, and ADM2567E RS-485 Transceivers are offered in a 28-lead, wide-body SOIC package.

Features

  • 3kVRMS isolated RS-485/RS-422 transceiver
  • Low radiated emissions, integrated, isolated DC-to-DC converter
  • Passes EN 55032 Class B with margin on a 2-layer PCB
  • Cable invert smart feature, correct reversed cable connection on A, B, Y, and Z bus pins while maintaining full receiver fail-safe features
  • ESD protection on RS-485 A, B, Y, and Z pins
    • ≥±12kV IEC61000-4-2 contact discharge
    • ≥±15kV IEC61000-4-2 air discharge
  • Data rates
    • High speed 25Mbps (ADM2565E and ADM2567E)
    • Low-speed 500kbps for EMI control (ADM2561E and ADM2563E)
  • Flexible power supplies
    • Input VCC supply of 3.0V to 5.0V
    • Logic VIO supply of 7.0V to 5.5V
    • VSEL pin to select VISO supply of 5.0V (VCC > 5.0V) or 3.3V
  • PROFIBUS compliant for 5.0V VISO
  • High common-mode transient immunity of 250kV/µs
  • Short-circuit, open-circuit, and floating input receiver fail-safe
  • Supports 196 bus nodes (72kΩ receiver input impedance)
  • Full hot-swap support (glitch-free power-up/power-down)
  • Safety and regulatory approvals (pending)
    • CSA Component Acceptance Notice 5A
    • DIN V VDE V 0884-11
    • UL 1577
    • CQC11-471543-2012
    • IEC 61010-1
  • Wide -40°C to +105°C operating temperature range 
  • 28-lead, fine pitch SOIC_W package, 10.15mm x 10.05mm

Applications

  • HVAC (Heating, Ventilation, and Air Conditioning) networks
  • Industrial field buses
  • Building automation
  • Utility networks
  • Energy meters

Product Variants

Analog Devices Inc. ADM256xE RS-485 Transceivers

Block Diagrams

Block Diagram - Analog Devices Inc. ADM256xE RS-485 Transceivers

Package Outline

Mechanical Drawing - Analog Devices Inc. ADM256xE RS-485 Transceivers
Published: 2020-07-08 | Updated: 2024-10-18