Amphenol SGX Sensortech VQ35 Thermal Conductivity Gas Detector Devices
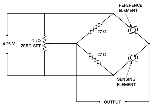
Amphenol SGX Sensortech VQ35 Thermal Conductivity Gas Detector Devices consist of two matched elements. These two elements are used for the detection of gases in 0 to 100% by volume concentrations, using the recommended bridge circuit and mounting arrangement. The VQ35MB has extended pins for fitting directly to printed circuit boards.Features
- Detection of gases in 0 to 100% by volume concentrations
- Supplied with braided leads
- 4.25V bridge power supply
- 0.26W maximum bridge power consumption
- 55mA current rating
Bridge Circuit
Mounting Arrangement
Published: 2017-05-02
| Updated: 2023-05-12
