Amphenol Aerospace Dual-Channel Fiber Protocol Media Converters

Amphenol Aerospace Dual-Channel Fiber Protocol Media Converters are designed to convert two channels of 1G or 10G-Base-T copper Ethernet to fiber optic protocols. These media converters set the fiber speed based on the fastest speed auto-negotiated on the copper side, providing flexibility to be either 1G-Base-T or 10G-Base-T. A stand-alone adapter is available for integrating with other platforms. Amphenol Aerospace Dual-Channel Fiber Protocol Media Converters work with a 28V power supply, 5W maximum. The copper / fiber converter modules are ideal for sensor systems, harsh environments, avionics, ground systems, and naval applications.

Features

  • Expandable from 1G to 10G speeds
  • -40°C to +85°C operating temperature range
  • Conduction cooled
  • -3dBm minimum fiber optic output power
  • -13dBm minimum fiber optic receive sensitivities 
  • Stand-alone adapter for integrating systems
  • 28V power supply, 5W maximum
  • Auto-negotiated copper protocols can be either 1G-Base-T or 10G-Base-T compliant with IEEE 802.3an standards
  • Fiber protocols can be 1G-Base-SX and 10G-Base-SR compliant with industry standards

Applications

  • Ground systems
  • Naval
  • Sensor systems
  • Harsh environment avionics

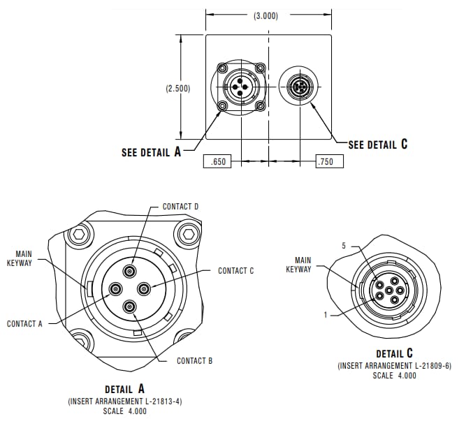
Line Drawing A

Amphenol Aerospace Dual-Channel Fiber Protocol Media Converters

Line Drawing B

Amphenol Aerospace Dual-Channel Fiber Protocol Media Converters
Published: 2018-08-30 | Updated: 2022-08-04