Alliance Memory AS4C64M32MD1A-5BIN 2Gb LPDDR SDRAM

Alliance Memory AS4C64M32MD1A-5BIN 2Gb LPDR SDRAM is a four-bank mobile DDR DRAM organized as 4 banks x 16M x 32. The AS4C64M32MD1A-5BIN SDRAM is designed for high performance and operates at low power. This SDRAM comes in a double-data-rate architecture that offers two data transfers per clock cycle. The AS4C64M32MD1A-5BIN SDRAM features a bidirectional data strobe (DQS) and differential clock inputs (CK and CK#). This SDRAM provides internal temperature-compensated self-refresh, edge-aligned data output, and center-aligned data input. 

Features

  • Double-data-rate architecture with two data transfers per clock cycle
  • Bidirectional data strobe (DQS)
  • 4-bank operation
  • Differential clock inputs (CK and CK#)
  • MRS cycle with address key programs
  • EMRS cycle with address key programs
  • Internal temperature-compensated self-refresh
  • All inputs except data and DM are sampled at the positive-going edge of the system clock (CK)
  • Data I/O transactions on both edges of the data strobe and DM for masking
  • Edge-aligned data output and center-aligned data input
  • DM for write masking only
  • Clock stop capability
  • x32 8mm x 13mm 90-ball FPBGA
  • -40°C to +85°C operating temperature range (industrial type)

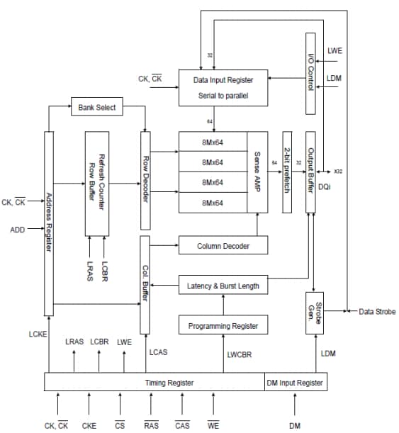
Block Diagram

Block Diagram - Alliance Memory AS4C64M32MD1A-5BIN 2Gb LPDDR SDRAM

State Diagram

Alliance Memory AS4C64M32MD1A-5BIN 2Gb LPDDR SDRAM

Package Dimensions

Published: 2020-02-25 | Updated: 2024-03-18