ABLIC S-82P5B Battery Protection IC

ABLIC S-82P5B Battery Protection IC is designed for secondary protection of lithium-ion rechargeable batteries, which includes high-accuracy voltage detection circuits and delay circuits. The S-82P5B IC provides short-circuiting between cells, making it possible for serial connection of three cells to five cells. This IC operates between 3.6V to 26V voltage range and -40°C to 85°C temperature range. The S-82P5B IC  is available in TMSOP-8 and SNT-8A packages. This IC is lead and halogen-free.

Features

  • High-accuracy voltage detection circuit for each cell
  • 0.5s, 1s, 2s, 4s, 6s, and 8s overcharge detection delay time
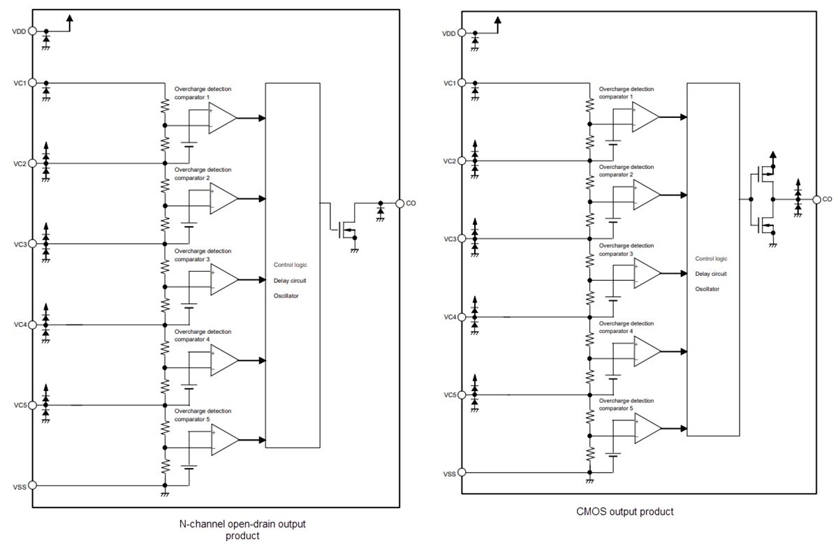
  • CMOS output and Nch open-drain output
  • Built-in test mode function to check overcharge detection voltage with shortened delay time
  • 28V absolute maximum high-withstand voltage
  • 3.6V to 26V operating voltage range
  • 1.2μA to 2.4μA (Ta=25°C) low current consumption range during operation
  • Lead (Sn 100%) and halogen-free

Applications

  • Lithium-ion rechargeable battery pack

Block Diagrams

Block Diagram - ABLIC S-82P5B Battery Protection IC
Published: 2024-07-04 | Updated: 2024-07-25